请注意,本文内容源自机器翻译,可能存在语法或其它翻译错误,仅供参考。如需获取准确内容,请参阅链接中的英语原文或自行翻译。
器件型号:BQ76930主题中讨论的其他器件:BQ78350-R1、 EV2400
工具/软件:
尊敬的 Texas Instruments 支持团队:
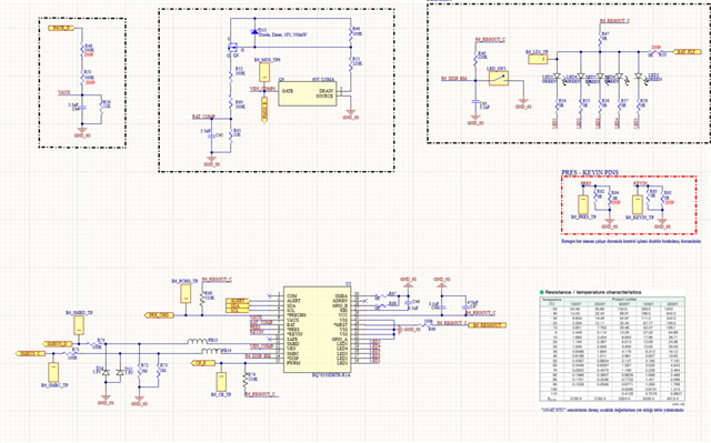
我正在使用 BQ78350-R1 和 BQ76930 开发电池管理系统。 我目前遇到了一个问题、 即使电芯连接正确且实际电压稳定、电芯电压读数也会一直保持在固定的低值(例如~43mV)。
问题摘要:
该系统使用 6S 配置 (VC0 至 VC5)。
通过 EV2400 建立通信、REGOUT 稳定在 3.3V、 并且电量监测计看起来可正确引导。
启动时、电芯电压看起来在几秒钟内是正确的、但随后会卡在不正确的固定值(例如,43mV) 并且不会更新。
如果热敏电阻断开连接、SOC 降至 0%、温度读数(例如 TS1)会显示–273°C。
测量值为 CAP1≈3.3V 和 CAP2≈15–16V。
实际电池电压约为 19.3V 、并已使用万用表验证。
我的问题:
为什么我看到电芯电 压读数卡在不正确的固定值(例如,~43mV)、即使实际电芯电压稳定且连接正确、并且最初在启动后几秒钟内似乎是正确测量的?
提前感谢您的支持。 如果需要、我很乐意提供原理图摘录或进一步的测量详细信息。
此致、



