Other Parts Discussed in Thread: LM5145
工具/软件:
您好、

我们使用的是 LM5145 降压直流/直流控制器。 根据数据表、FB 侧会有这样的说明。 我是否可以理解、当设定的输出电压高于输入电压时、反馈电阻器被设置为无效、在最高输出电压接近输入电压时输出?
或者、对于 12V 输入、FB 配置的电压为 13V、但实际输出电压为 11V。 它可以这样使用吗?
谢谢!
This thread has been locked.
If you have a related question, please click the "Ask a related question" button in the top right corner. The newly created question will be automatically linked to this question.
尊敬的 Rhea:
我对你们在这里的问题有点困惑。 您的系统规格到底是什么? 您到底在尝试实现什么?
[报价 userid=“498310" url="“ url="~“~/support/power-management-group/power-management/f/power-management-forum/1545044/lm5145-explanation-of-the-content-of-the-data-sheet我们使用的是 LM5145 降压直流/直流控制器。 根据数据表、FB 侧会有这样的说明。 我是否可以理解、当设定的输出电压高于输入电压时、反馈电阻器被设置为无效、在最高输出电压接近输入电压时输出?
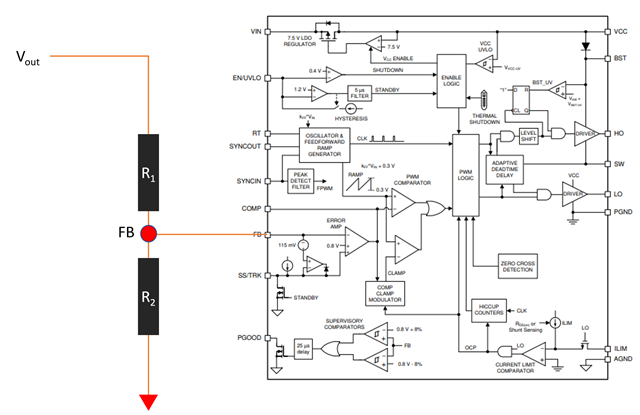
[/报价]否 — 选择反馈电阻梯时,输出电压(除以电阻梯)等于 FB 基准 当 Vout 变化时、误差电压会告诉控制器如何响应。 请参阅功能方框图: 
VOUT*(R2/(R1+R2))= VFBREF = 0.8V
[报价 userid=“498310" url="“ url="~“~/support/power-management-group/power-management/f/power-management-forum/1545044/lm5145-explanation-of-the-content-of-the-data-sheet或者、对于 12V 输入、FB 配置的电压为 13V、但实际输出电压为 11V。 它可以这样使用吗?
[/报价]如果 Vin > Vout — 该器件将尝试尽可能跟踪 Vin(这是任何降压转换器的限制)。
谢谢、
此致、
Taru
尊敬的 Taru:
最初、客户的产品是作为直流 24V 电源输入的。 当 LM5145 用于直流降压时、将其从 24V 转换为 12.5V、以便在后端电路中使用。 现在、该产品需要由直流 12V 电源供电 (LM4145 直流/直流转换器的实际输出电压约为 11V)。 我想确认的是、在使用 12V 输入的情况下、LM5145 降压电路 FB 仍配置为 12.5V 输出(实际输出电压为 11V,也可以满足客户的当前使用要求)。 LM5145 降压电路的局部运行是否稳定? 是否存在其他风险?
谢谢!
尊敬的 Rhea:
我要确认的是、在使用 12V 输入的条件下、LM5145 降压电路 FB 仍配置为 12.5V 输出
是 — 输出电压配置与输入电压无关。 它由您使用的电阻梯决定。 如果您使用过与之前相同的电阻梯 — 输出仍将配置为 12.5V。
[报价 userid=“498310" url="“ url="~“~/support/power-management-group/power-management/f/power-management-forum/1545044/lm5145-explanation-of-the-content-of-the-data-sheet/5945583 ]实际输出电压为 11V,也可以满足客户的当前使用要求)这是预期的、这会有一些压降、因为任何降压转换器的 Vout < Vin。
LM5145 降压电路的部分运行是否稳定? 是否存在任何其他风险?
如果您之前的电路运行良好、我认为不应该存在任何风险。 请确保 MOSFET 和其他无源器件处于其安全工作范围内。
谢谢、
此致、
Taru