This thread has been locked.

If you have a related question, please click the "Ask a related question" button in the top right corner. The newly created question will be automatically linked to this question.

[参考译文] BQ24032A:BQ24032A

Guru**** 2460850 points
Other Parts Discussed in Thread: BQ24032A, TPS62088

请注意,本文内容源自机器翻译,可能存在语法或其它翻译错误,仅供参考。如需获取准确内容,请参阅链接中的英语原文或自行翻译。

https://e2e.ti.com/support/power-management-group/power-management/f/power-management-forum/1548833/bq24032a-bq24032a

器件型号:BQ24032A
主题中讨论的其他器件: TPS62088

工具/软件:

 你(们)好  

客户将 BQ24032A 用于医疗器件产品。

制造后的一段时间后,电池膨胀问题会出现在市场上(故障率:约 80 %),
因此、有必要检查是否存在任何电路问题。

目前、BQ24032A 器件有 3 种型号、只有一个特定产品出现 电池 膨胀问题。

关于此回顾、我附上了充电电路图和蓄电池规格的图片。

请告知导致此问题发生的原因。

  • 请注意,本文内容源自机器翻译,可能存在语法或其它翻译错误,仅供参考。如需获取准确内容,请参阅链接中的英语原文或自行翻译。

    您好:

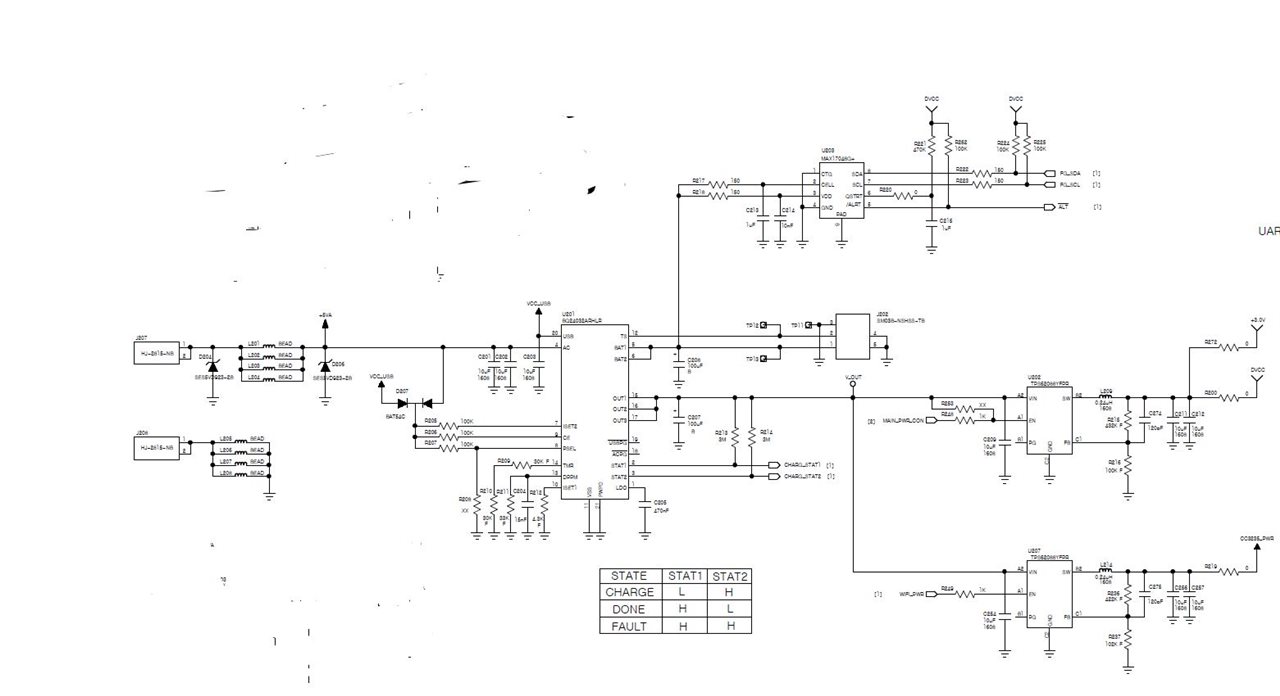
    我已经查看了原理图的 BQ24032A 部分。 我看不到原理图有任何问题、充电器的配置似乎满足所提供的电池规格的要求。 请在下面查看我的评论:

    • BAT 有 100 μ F。 BAT 连接到电量监测计和电池连接器。
    • OUT 有 100 μ F。 OUT 连接到 x2 TPS62088。
    • ISET1 具有 4.3k 的电阻。 使用 V (set)= 2.5V、K (set)= 425 和 R (set)= 4.3k(标称值)、计算出快速充电电流为 250mA。 预充电电流的计算结果为 25mA。
    • TMR 的 TMR 引脚和 GND 之间连接了 2 个 30k 电阻器。 使用 K (TMR)= 0.360 和 R (TMR)= 60k、快速充电安全计时器的计算结果为 6 小时。
    • DPPM 具有一个并联的 33k 电阻器和 15nF 电容器:
      • 15nF 电容器有助于防止器件在启动时错误地进入短路保护状态。
      • 使用 SF = 1.150(典型值)、I (DPPM-SET)= 100uA(典型值)且 R (DPPM)= 33k(标称值)时、V (DPPM-REG) 的计算结果为 3.795V。
    • AC 有 2 个 10uF 电容器。
    • USB 具有 x1 10uF 电容器。
    • PSEL 通过一个 100k 电阻器上拉、该电阻器将 AC 设置为主电源。
    • ISET2 通过 100k 电阻器上拉、该电阻器将 USB 端口电流限制设置为 500mA。
    • LDO 具有 470nF 电容器。
    • CE 通过 100k 电阻器上拉。
    • TS 连接到电池连接器上的引脚。
    • STAT1 和 STAT2 分别通过 3M 电阻器上拉至 OUT。
    • 未连接/ACPG 和/USBPG。 这些引脚是开漏输出、因此这是 可以接受的。

    电池是否处于低温或高温? 电池是否在充满电或过度放电的情况下花费大量时间?

    该设计是否采用了电池保护器 IC? 使用了哪种类型的热敏电阻?

    如有任何其他问题、敬请告知。

    此致、

    Alec

  • 请注意,本文内容源自机器翻译,可能存在语法或其它翻译错误,仅供参考。如需获取准确内容,请参阅链接中的英语原文或自行翻译。

    你好。 Alec Lehman

    非常感谢您的帮助。

     我们对您的询问作出如下回应。

    电池安装在设备中(成品形式)、主要用于医院。

    设备安装在医院的通讯座中(用于充电或通信)。

    该器件没有电池保护电路或热敏电阻电路。

    此外、请说明需要哪些数据来对问题进行根本原因分析。

  • 请注意,本文内容源自机器翻译,可能存在语法或其它翻译错误,仅供参考。如需获取准确内容,请参阅链接中的英语原文或自行翻译。

    您好 Hojun、

    很高兴我能提供帮助。

    由于电池膨胀似乎与充电器没有直接关系、因此我只能 对此问题提供有限的支持。

    务必遵循电池制造商的建议运行条件。 如果热敏电阻未用于监测电池温度、则可能是在本应禁用充电的温度下为电池充电。 在原理图中、BQ24032A 的 TS 引脚连接到电池连接器、但您提到没有使用热敏电阻。

    BQ24032A 的 TS 特性旨在与 103AT-2 热敏电阻一起使用、对应于 0°C 至 45°C 的充电温度范围。 如果充电器检测到电池温度超出该范围、则暂停充电。 如果使用不同的热敏电阻、则需要在 TS 引脚上连接外部电阻器来设置正确的温度阈值。 我们的一些较新充电器提供更多可配置的 TS 监控选项。

    如果没有电池保护器 IC 在深度放电时断开电池、则存在系统可能继续从低于最低电压的电池汲取电流的风险、随着时间的推移可能会损坏电芯。

    如果您有任何其他问题、请告诉我。

    此致、

    Alec