主题中讨论的其他器件:BQ79616、 USB2ANY
工具/软件:
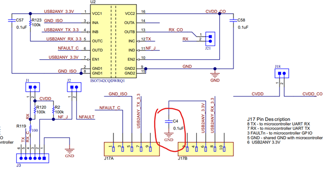
我们在研究如何使用 BQ79616 BMS IC、并决定查看 EVM 的原理图作为参考、以了解所有元件的用途。 在查看所有隔离式接口时、我们对用于 USB2ANY 接口的 UART 隔离器 ISO7342CQDWRQ1 感兴趣。 在 EVM 板上、我们确实注意到来自 J17B 连接器的 USB2ANY3.3V 输入似乎具有连接到 GND 的滤波电容器、但随后有另一个滤波电容器连接到 GND_ISO (C4 和 C57)。

在电路板上安装 C4 的原因是什么? 是否应移除该电容器以实现真正的隔离?
如果要连接的 EVM 连接到一系列不在电池包低端的电芯、那么连接到该 USB2ANY 接口是否存在问题? (例如–相对于电池组中的最大负电芯进行测量时,EVM 上的 GND 基准将具有一定的电压电势)。
非常感谢、期待收到您的反馈、
卷曲