This thread has been locked.

If you have a related question, please click the "Ask a related question" button in the top right corner. The newly created question will be automatically linked to this question.

[参考译文] LMR38025-Q1:引脚距离小于 IEC 60664-1 要求

Guru**** 2593910 points
Other Parts Discussed in Thread: LM5164-Q1, LM5012-Q1, LM5012

请注意,本文内容源自机器翻译,可能存在语法或其它翻译错误,仅供参考。如需获取准确内容,请参阅链接中的英语原文或自行翻译。

https://e2e.ti.com/support/power-management-group/power-management/f/power-management-forum/1579600/lmr38025-q1-pins-distance-is-less-than-iec-60664-1-requirements

器件型号:LMR38025-Q1
主题中讨论的其他器件:LM5012-Q1、LM5164-Q1、 LM5012、LM65640

您好的团队、

问题来自客户:

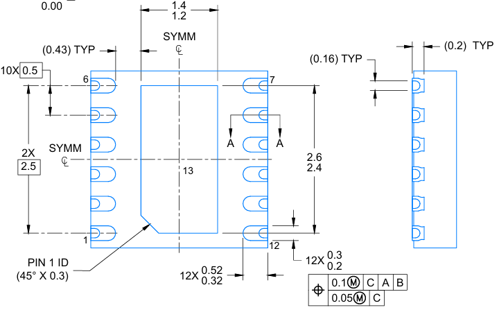
从图中可以看出、引脚之间的最小距离为 0.2mm。 安装到 PCB 上后、在某些情况下、导体之间的距离小于 0.2mm。

image.png

从引脚定义中可以看出、BOOT 引脚是高压引脚、PG 引脚是低压引脚、两个引脚之间的电压差接近 60V。

根据 IEC 60664-1 污染等级 2 的要求、60V 电压需要的最小距离为 0.63mm。 对于此芯片设计的距离为 0.2mm、考虑了哪些因素?

我们的芯片侧面是否有任何相关的绝缘设计?

此致、

Eileen

  • 请注意,本文内容源自机器翻译,可能存在语法或其它翻译错误,仅供参考。如需获取准确内容,请参阅链接中的英语原文或自行翻译。

    尊敬的 Eileen:

    可以考虑使用 SOIC-8 封装来增大引脚间隙、例如、LM5012-Q1 100V/2.5A 或 LM5164-Q1 100V/1A 转换器。

    此致、

    Tim

  • 请注意,本文内容源自机器翻译,可能存在语法或其它翻译错误,仅供参考。如需获取准确内容,请参阅链接中的英语原文或自行翻译。

    您好、Tim:

    我想知道 对于 我们器件的这个 0.2mm 距离、需要考虑哪些因素。 请您发表一些意见吗? 谢谢你。

    此致、

    Eileen

  • 请注意,本文内容源自机器翻译,可能存在语法或其它翻译错误,仅供参考。如需获取准确内容,请参阅链接中的英语原文或自行翻译。

    此外、 LM5012 是非同步转换器、是否 推荐使用同步转换器?

  • 请注意,本文内容源自机器翻译,可能存在语法或其它翻译错误,仅供参考。如需获取准确内容,请参阅链接中的英语原文或自行翻译。

    您好、Tim:

    对于 LM5012、VIN 和 EP 之间的距离也小于 0.63mm、为 0.6mm。 您能解释一下吗?

    BR。

    Eileen

  • 请注意,本文内容源自机器翻译,可能存在语法或其它翻译错误,仅供参考。如需获取准确内容,请参阅链接中的英语原文或自行翻译。

    尊敬的 Eileen:

    请看一下 LM65640/60/80。 这是一款具有良好引脚间隙/间距的 65V、4A/6A /8A 转换器系列。 也许 4A 适合您的应用。

    此致、

    Tim