请注意,本文内容源自机器翻译,可能存在语法或其它翻译错误,仅供参考。如需获取准确内容,请参阅链接中的英语原文或自行翻译。
器件型号:BQ76972您好团队:
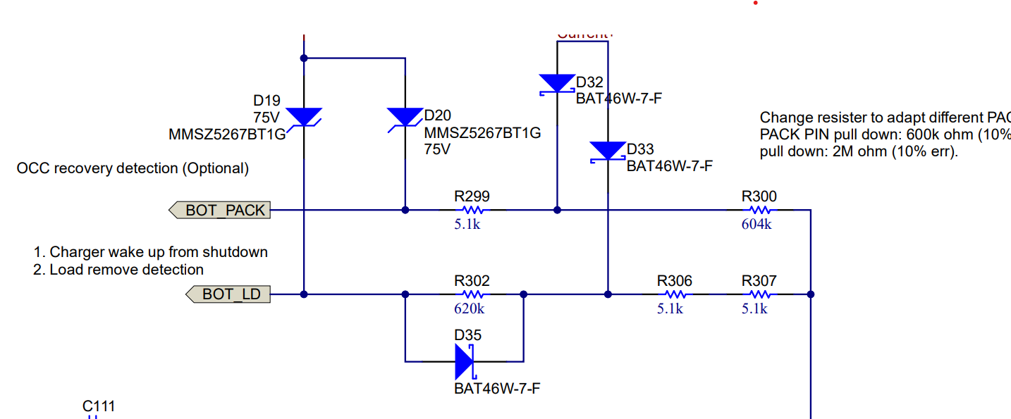
我使用 BQ76972 作为 AFE。 在该电路 (www.ti.com/.../tidmb58a.pdf) 中、 LD 引脚使用一系列电阻器进行连接。
- 它们的用途是什么以及所选值背后的任何原因?
- 根据我的理解(如果我错了,请纠正我的错误)、LD 引脚有一个电流源、并向 PACK+发送少量电流、如果未连接负载、则电压会上升并达到 Vbat (+)、表示电池包 (+) 和电池包 (-) 上没有任何负载。 如果有负载、则引脚上的电压是多少?
谢谢、
Karthik。
