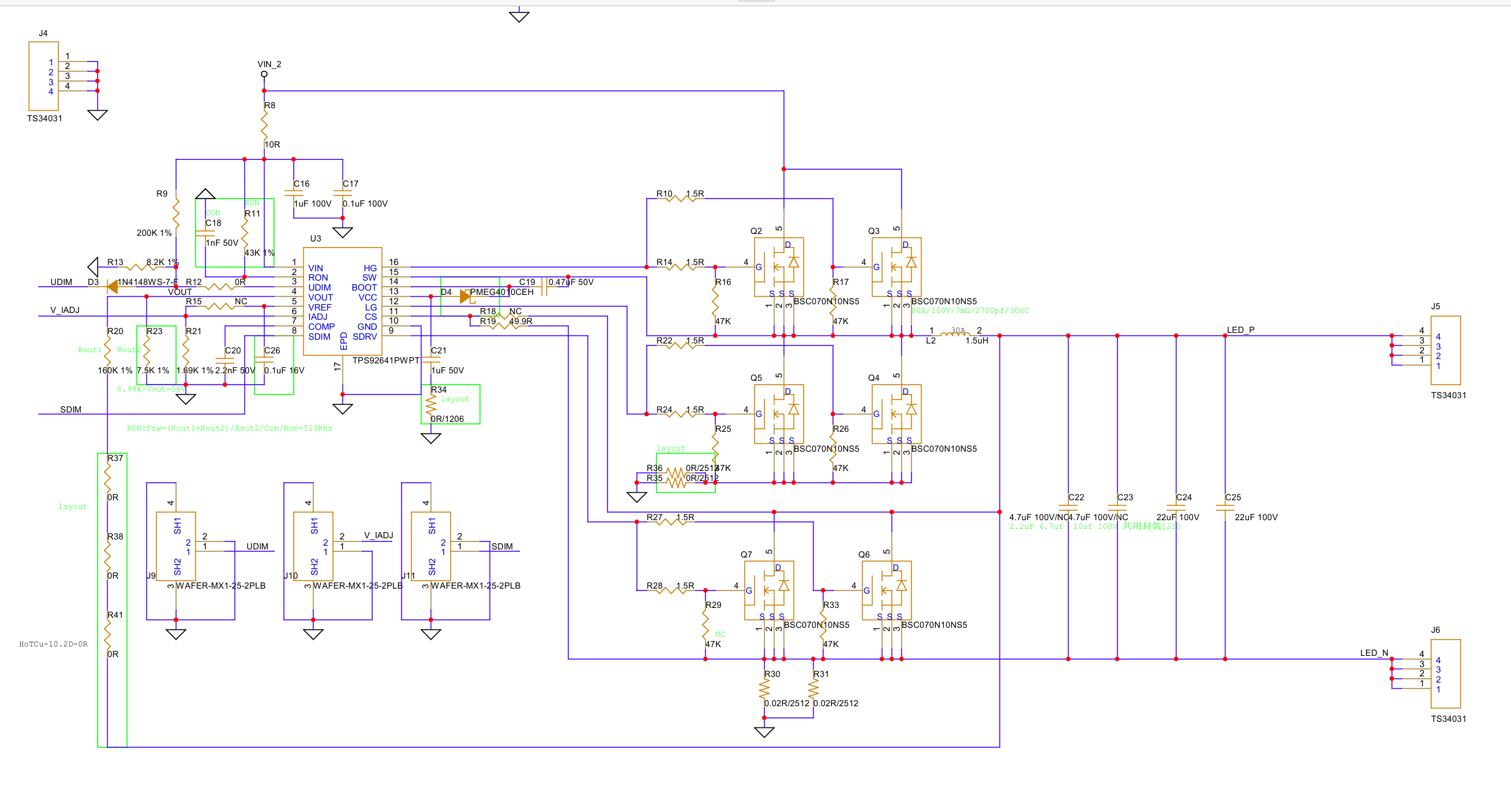
器件型号: TPS92641
大家好、我的原理图如下所示。 负载连接到 14A/56V 激光模块、SDIM 输入是 10Hz/10%占空比的 PWM 波形。 目前、IADJ 使用稳压直流电源来直接输入 0.7V 电压。 理论上、应测量 7A 的电流、但实际上、使用电流探头只能测量 5.9A。 输入为 1V、理论上为 10A、但实际上、只能测量 8.6A。 此外、该电路设计无法达到 14A、最大电流为 12A、并且电路中没有过流保护现象、没有输出。 该电路的输出电压 Vout 可测量为 56V、但电流不正确且过低。 选择的 MOS 晶体管电流为 80A、电压为 100V、远高于设计要求。 我尝试将电感器替换为 4.7u/30A 和 1.5u/30A、输入电压为 80V/20A。 请帮助我调查原因。














