This thread has been locked.

If you have a related question, please click the "Ask a related question" button in the top right corner. The newly created question will be automatically linked to this question.

[参考译文] TPS56637:将 R8 电阻器从 20k Ω 替换为 47k Ω

Guru**** 2668435 points

Other Parts Discussed in Thread: TPS56637

请注意,本文内容源自机器翻译,可能存在语法或其它翻译错误,仅供参考。如需获取准确内容,请参阅链接中的英语原文或自行翻译。

https://e2e.ti.com/support/power-management-group/power-management/f/power-management-forum/1584435/tps56637-replace-r8-resistor-from-20kohm-to-47kohm

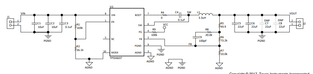
器件型号: TPS56637

您好、

我的客户在数据表上设计了如下相同的原理图;

1.png

2.png

然而、SW 波形不稳定

当它们将 R8 电阻器从 20kom(建议值)更改为 47k Ω 时、SW 波形是稳定的。  将 R8 电阻器替换为 47k Ω 时、它们有什么问题?   我想知道这是否没有问题。

谢谢、此致、
Hattori 先生。

 

  • 请注意,本文内容源自机器翻译,可能存在语法或其它翻译错误,仅供参考。如需获取准确内容,请参阅链接中的英语原文或自行翻译。

    Hi Hattori、

    我们将检查并重新开始测试。

    此致、

    Haseen。

  • 请注意,本文内容源自机器翻译,可能存在语法或其它翻译错误,仅供参考。如需获取准确内容,请参阅链接中的英语原文或自行翻译。

    Hi Hattori、

    R8 是补偿电路的一部分、如果输出不稳定、则可以改变 R8 和 C9 的值、这将有助于稳定 SW 节点和输出电压。

    如果您更改 R8 和 C9 的值、则极点将发生偏移、这有助于稳定输出。

    此致、

    Manish

  • 请注意,本文内容源自机器翻译,可能存在语法或其它翻译错误,仅供参考。如需获取准确内容,请参阅链接中的英语原文或自行翻译。

    尊敬的 Manish-san:

    感谢您的支持。

    我的客户观察到稳定的 SW 波形将 R8 值从 20.0k Ω 替换为 100k Ω。  但是、他们观察到 SW 波形超出了绝对最大电压范围 (SW(<10ns 瞬态值)、但瞬态周期大于 10ns)。

    我将波形附加为 Excel 文件。  您能告诉我们如何避免这个问题吗?

    e2e.ti.com/.../12V_5F00_SW_5F00_Waveform_2800_R8_3D00_100k-C9_3D00_100pF_2900_.xlsx

    谢谢、此致、
    Hattori 先生。

  • 请注意,本文内容源自机器翻译,可能存在语法或其它翻译错误,仅供参考。如需获取准确内容,请参阅链接中的英语原文或自行翻译。

    Hi Hattori、

    请保持带宽为 20Mhz、您将获得良好的绘图。

    此致、

    Manish

  • 请注意,本文内容源自机器翻译,可能存在语法或其它翻译错误,仅供参考。如需获取准确内容,请参阅链接中的英语原文或自行翻译。

    Manish-San、

    >>请将带宽保持为 20Mhz、您将获得良好的图。

    这句话的意思是“将数字示波器上的带宽设置为 20MHz “。  正确吗?

    换句话说、如果它们能够在 DSC 上的 20MHz 带宽条件下满足 SW 引脚上的绝对最大电压范围、TPS56637 是否没有损坏?  

    请告知我们。

    谢谢、此致、
    Hattori 先生。

  • 请注意,本文内容源自机器翻译,可能存在语法或其它翻译错误,仅供参考。如需获取准确内容,请参阅链接中的英语原文或自行翻译。

    Hi Hattori-San、

    是的、在数字示波器处保持 BW 为 20Mhz。

    如果瞬态时间小于 20ns、则没关系。

    如果在负电压较高的情况下它将继续超过 30ns、则可能会损坏器件。

    因此、客户图表在该范围内、因此他们可以避免这种情况。

    此致、

    Manish