Other Parts Discussed in Thread: BQ24610
部件号: BQ24610
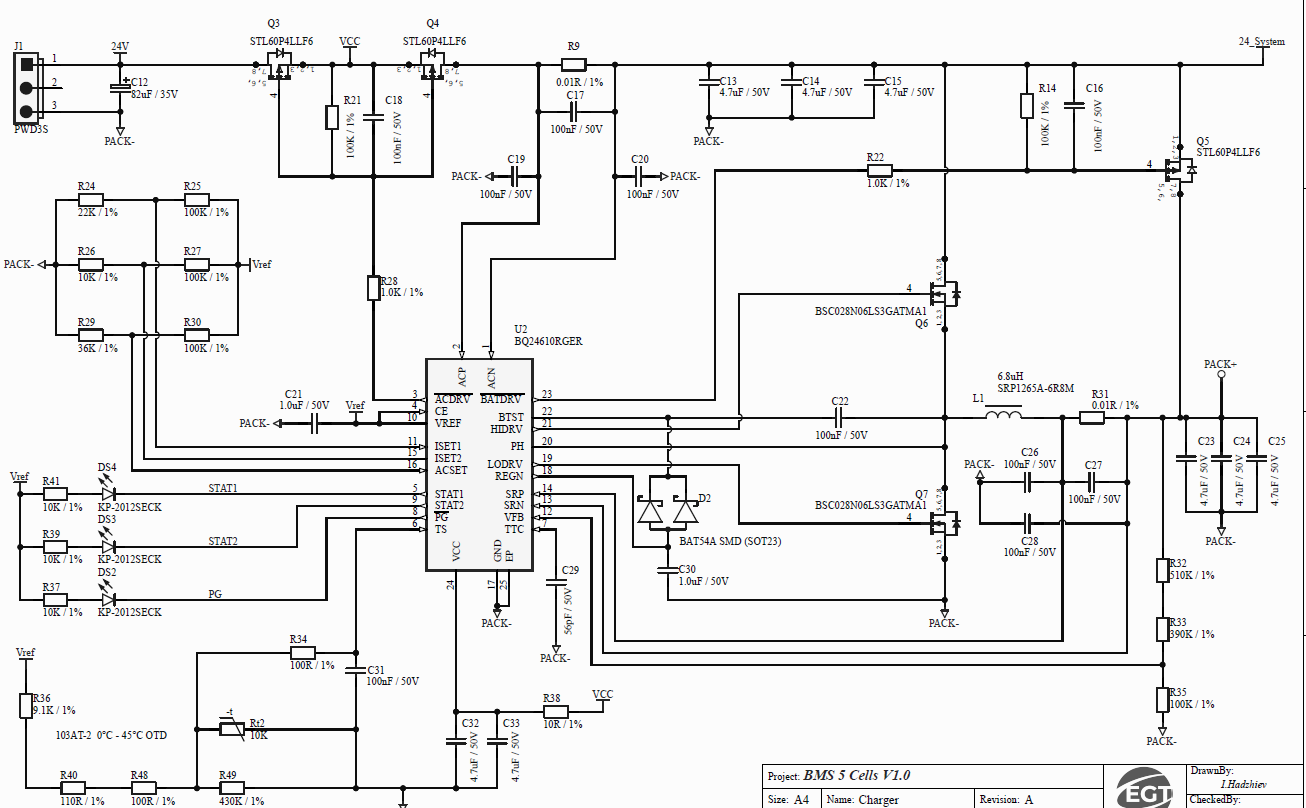
您好:
我系统中的所有内容都看起来正常工作。 但突然充电过程停止、只有在我重置输入电源时才会再次开始充电。
我注意到的是使用摄像头 80°C 测量的 IC 的高温。
充电电流为 3A。我已尝试将电流降低至 1A、但结果是相同的。 
PCB 板为 2 层。 我使用了其他与 BQ24610 类似的 TI 充电控制器、采用 2 层 PCB、没有任何问题。
有什么想法要检查?
