“线程”中讨论的其它部件:BQSTUDIO, TEST, EV2400,BQ769142
我拥有最新的 bqStudio 测试版本(1.3.110)和 EV2400上最新的固件(0.32)。 当我尝试在“数据存储器”选项卡中读取所有数据时,我收到“操作失败,因为初始读取所有数据闪存失败”错误。

This thread has been locked.
If you have a related question, please click the "Ask a related question" button in the top right corner. The newly created question will be automatically linked to this question.
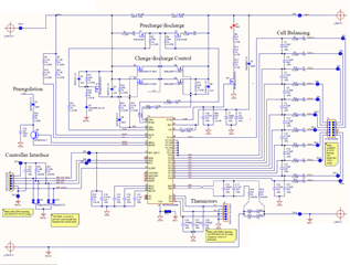
这是一款定制电路板,带有外部 EV2400。 我使用提供的4线束和100kHz 模式 I2C 连接到 EV2400。 我不得不从原理图中删除一些无法正常工作的信息,以保证客户机密性,但希望这能为您提供所需的信息。 原理图显示了 BQ769142,因为这是我们想要使用的设备,但由于组件问题,我们使用的是 BQ76952,因为它的引脚和封装与我们的配置兼容。 我将稍微了解一些 I2C 波形。

您好,布莱恩,
您是否为 J2的引脚1供电?
外部 EV2400具有10千欧的拉电压至3.3 V 如果 J2的引脚1中没有电源,则外部 EV2400扩展可能会初始为 C25充电,而在正常操作下,这可能会变小。 如果 J2的引脚1上有电源,则可能正常。 此外,请确保没有意外切换 RST_Shut。
监控 I2C 波形,如果您仍有问题,请予以分享。
此致,
路易斯·埃尔南德斯·萨洛门