您好,
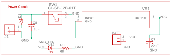
我有一个客户想要为 电池电压介于3 V 至12 V 之间的设备供电。所需的设备电压为3-3.3 V,因此我们使用 了 TLV2217-33。 我设计的电源电路有一个由电压调节器调节至3.3 V 的电池插件,然后有一个单独的电池输入,以3 V 的电压直接为设备供电。电压调节器和高压电池之间有一个开关。 示意图如下所示。

我意识到蓄电池应该有反向电压保护,并且应该避免蓄电池反向驱动,但我的客户要求将这些电压留到外面。 但是,我不确定我是否已使用调节器正确设计了开关。 它可以在电压调节器之前正确关闭蓄电池,以避免在断开开关时对高压蓄电池(J1)进行断电。 假设开关连接到接地端且 3V 蓄电池(BATT)已连接,避免电压调节器反向驱动的最佳方法是什么? 我将输入接地,假设它会给电压调节器断电,但当我们测试时,它真的很热,这让我认为它会向后驱动内部晶体管。
我有两个问题:
当电压调节器以此连接时会发生什么情况(输出为3.3V,输入接地为3.3V)?
避免向后驱动稳压器的最佳设计是什么?
请提前感谢您的参与。
贾洛姆