“线程: 测试”中讨论的其它部件
所有的都很好!
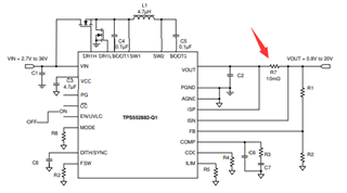
目前,ts552882-Q1用于电路设计,输入电压为8 ~ 36V,输出电压为12V / 3a。 如果输出短路,ts552882-Q1可以实现恒定电流3A 控制? 如下图所示,为 R7选择了16m Ω。谢谢!

This thread has been locked.
If you have a related question, please click the "Ask a related question" button in the top right corner. The newly created question will be automatically linked to this question.
所有的都很好!
目前,ts552882-Q1用于电路设计,输入电压为8 ~ 36V,输出电压为12V / 3a。 如果输出短路,ts552882-Q1可以实现恒定电流3A 控制? 如下图所示,为 R7选择了16m Ω。谢谢!
