This thread has been locked.

If you have a related question, please click the "Ask a related question" button in the top right corner. The newly created question will be automatically linked to this question.

[参考译文] BQ24610:存在电池时,另一个充电器工作正常。

Guru**** 2417840 points
Other Parts Discussed in Thread: BQ24610

请注意,本文内容源自机器翻译,可能存在语法或其它翻译错误,仅供参考。如需获取准确内容,请参阅链接中的英语原文或自行翻译。

https://e2e.ti.com/support/power-management-group/power-management/f/power-management-forum/1082265/bq24610-another-charger-is-working-when-the-battery-is-present

部件号:BQ24610

TI 专家您好,

我的客户现在使用自己的主板测试 BQ24610,但有一个问题。

-电池为3S1P,额定电压为11.55V/3920mAh。

—充电电压为13.2V

它们在一个 PCB 中使用2个 BQ24610。

当它们将1节电池连接到任何输出时,似乎另一个充电器正在工作。 (它们未连接直流适配器输入。)

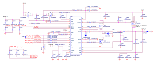
请参见下图;

当电池(10.2V)连接到 VBATT_A 时,此图为 VBATT_A 和 VBATT_B 测量值

如您所见,VBATT_B 看起来没有电池状态,即使它们没有 VIN 电压。

有时,他们只能看到一行,而不能看到 VBATT_B 上的脉冲波形。他们随机看到两个波形。 (VBATT_B 上的脉冲波或恒定电压)

下面是为您提供便利的示意图。

   

连接两个充电器的唯一网是“24VB”网。

我认为这种蓄电池电压通过24VB Net 和 Q2/Q9 FET 连接到另一个充电器,它的工作方式类似于 VIN。然后它可以使充电器工作。

我是对的吗? 如果我是对的,有没有办法阻止这种情况发生? (如添加二极管或其他东西)

请检查此问题。 谢谢。

此致,

追逐

  • 请注意,本文内容源自机器翻译,可能存在语法或其它翻译错误,仅供参考。如需获取准确内容,请参阅链接中的英语原文或自行翻译。

    尊敬的 Chase:

    你是对的。 我将在下面更详细地描述。

    VBATT_A 上的10.2 V 电池有一条穿过 BATFET 主体二极管的通道。 然后,它通过 ACFET 的主体二极管连接到 VCC。 由于 VBATT_B 充电器的 VCC 未连接电池,因此启用了 ACFET,VBATT_B 将通过电池检测。 至于为什么有时只发生这种情况,可能是因为他们被绑在24只 VB 上。 我建议将二极管连接到两个充电器上,以便只有在两个充电器系统滑轨上的一个二极管之后才会出现公共系统点。

    谢谢,

    迈克·埃曼纽尔

    如果回答了您的问题,请单击“已解决”。

  • 请注意,本文内容源自机器翻译,可能存在语法或其它翻译错误,仅供参考。如需获取准确内容,请参阅链接中的英语原文或自行翻译。

    尊敬的迈克尔:

    感谢您的支持。

    我还有一个问题,为什么我看到第一张图片和第二张图片? 作为您的描述,我只能看到第一张图片,因为 BQ24610一直在尝试电池搜索,所以我看不到第二张图片所显示的波形。 请您解释一下,在什么情况下我可以看到第二张照片?

    您还能建议输出二极管吗? 我认为它的正向电压应该非常低。

    此致,

    追逐

  • 请注意,本文内容源自机器翻译,可能存在语法或其它翻译错误,仅供参考。如需获取准确内容,请参阅链接中的英语原文或自行翻译。

    Chase,

    请告诉我 STATx PIN 在这里做了什么? 您也可以探测 PH 节点吗?

    目标低正向电压,可处理您所需的系统电流,并可阻止电池电压(如果一个主板上的电池已充满电,而另一个主板完全断电)。

    此致,

    迈克·埃曼纽尔