This thread has been locked.

If you have a related question, please click the "Ask a related question" button in the top right corner. The newly created question will be automatically linked to this question.

[参考译文] TPS3850-Q1:SET/1配置问题和CCRST的最低要求

Guru**** 2604225 points
Other Parts Discussed in Thread: TPS3850-Q1

请注意,本文内容源自机器翻译,可能存在语法或其它翻译错误,仅供参考。如需获取准确内容,请参阅链接中的英语原文或自行翻译。

https://e2e.ti.com/support/power-management-group/power-management/f/power-management-forum/1091186/tps3850-q1-question-for-set0-1-configuration-and-minimum-requirement-for-ccrst

部件号:TPS3850-Q1

专家,您好!

我们的客户对TPS3850-Q1有疑问。

首先,我想了解一下SET/1配置。

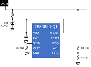
他们希望此设备的SET/1如下所示。

此外,此输出电压为5V供电。
在这种设计中,是否存在任何问题?
特别是,我担心SET1和更高下拉电阻在启动条件下应用的设置错误会导致SE0设置错误。
如果还有其他问题,请告诉我。

其次,我想问您CRST引脚的最小电容。
在数据表中,它表示此上的最小电容为100pF。
这意味着他们必须使用100pF的更大电容电容器,包括Part2part变化和直流偏压等?
或者这100pF只是典型值,它是实际最小值的几个百分点的利润?

谢谢,顺祝商祺!
Kazuki Kuramochi  

  • 请注意,本文内容源自机器翻译,可能存在语法或其它翻译错误,仅供参考。如需获取准确内容,请参阅链接中的英语原文或自行翻译。

    您好,Kazuki-san,

    我正在 调查这件事-我很快就会再与您联系。  

    -Tony

  • 请注意,本文内容源自机器翻译,可能存在语法或其它翻译错误,仅供参考。如需获取准确内容,请参阅链接中的英语原文或自行翻译。

    您好,Toni-San,

    感谢您的回复。
    我理解并等待您的回答。

    顺便提一下,我还有其他关于此设备的问题。

    首先,您会告诉我SET/1引脚的泄漏电流吗?
    其次,您是否会提供SET0/1引脚的输入阻抗?

    我期待收到您的回复。

    谢谢,顺祝商祺!
    Kazuki Kuramochi

  • 请注意,本文内容源自机器翻译,可能存在语法或其它翻译错误,仅供参考。如需获取准确内容,请参阅链接中的英语原文或自行翻译。

    您好,Kazuki-san,

    1. 即使使用SET0的10k电阻器接地,该设计看起来也很好。 我真的很想知道SET1,为什么它不被拉至VDD或接地。 您知道客户为什么这样做吗?
    2. 100pF实际上包括一些利润,包括您提到的那些以及电容器变化等。 因此,100pF完全没问题,但如果低于100pF可能会导致问题。
    3. SET/1未指定泄漏电流,但我可以说它低于1uA。 对于10k电阻器,偏移小于10mV。
    4. 输入阻抗高于兆欧姆。

    请告诉我这是否有帮助!

    -Tony

  • 请注意,本文内容源自机器翻译,可能存在语法或其它翻译错误,仅供参考。如需获取准确内容,请参阅链接中的英语原文或自行翻译。

    您好,Toni-San,

    感谢您的回答,很抱歉我迟到了回复。

    我理解您的解释。
    对于Set1,他们担心LDO被断开为短路模式,并受到来自LDO VIN的电压的应用。
    因此,它们放置电阻分压器以保护过压。

    顺便说一下,他们可以更改SET1的SE0下拉电阻器和电阻分压器。
    Set1的电阻分压器比例为1/3。
    届时,您会告诉我SE0和SET1的电阻器的最小/最大电阻值吗?


    谢谢,顺祝商祺!
    Kazuki Kuramochi

  • 请注意,本文内容源自机器翻译,可能存在语法或其它翻译错误,仅供参考。如需获取准确内容,请参阅链接中的英语原文或自行翻译。

    您好,Kazuki-san,

    对于SET0和SET1的电阻器,请将电阻值保持在100欧姆以上和20千欧以下,并且设计应良好。

    请告诉我这是否解决了客户的问题。

    -Tony

  • 请注意,本文内容源自机器翻译,可能存在语法或其它翻译错误,仅供参考。如需获取准确内容,请参阅链接中的英语原文或自行翻译。

    您好,Tony:

    感谢您的快速回复。
    我了解将建议客户为SET1和SET0使用100~20kohm电阻器。


    谢谢,顺祝商祺!
    Kazuki Kuramochi