大家好、团队、
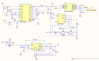
我有一个带 BQ25303J 充电 IC 的定制板、用于为4000mAh 锂聚合物电池充电。 请查找以下原理图。

在测试过程中、我观察到以下情况:
当 使用电势为4.1V 的电池为 BQ25303J 供电时、PMID 引脚生成/累积约3.7V 的电压。 我尚未连接 USB 电缆、因此 V_USB 为零。
PMID 产生的电压正在为我的电路供电(它不应该这么做)。 我断开(未焊接)电源路径中的晶体管和电量监测 IC (MAX17262)、以确保它们不会导致此问题。
我从 BQ25303J 的数据表中了解到、PMID 和 VBUS 电势几乎相同、它们之间只有一个晶体管。 我的理解是否正确?
我可以做些什么来找到导致此问题的问题?
我们非常感谢您的任何帮助。 感谢你能抽出时间。
此致、
Adarsh