请注意,本文内容源自机器翻译,可能存在语法或其它翻译错误,仅供参考。如需获取准确内容,请参阅链接中的英语原文或自行翻译。
器件型号:TPS65100 您好:
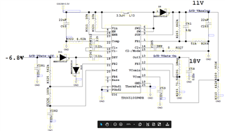
我现在正在使用 TPS65100。 当输入电压大约为3.3V 时、它工作正常。 但是、如果输入电压为5V、即使未连接 LCD、芯片也会消耗大量电流。 通常、当芯片在无负载的情况下以3.3V 电压驱动时、电流约为60mA、但如果输入电压为5V、电流约为700mA。 我检查了输出电压是否都正确、似乎没有短路。 不确定这些电流会流向何处。 原理图如下。

提前感谢。
Jason