请注意,本文内容源自机器翻译,可能存在语法或其它翻译错误,仅供参考。如需获取准确内容,请参阅链接中的英语原文或自行翻译。
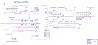
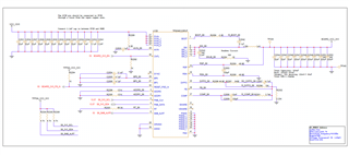
器件型号:TPS546C23 尊敬的 TI 团队:
我完成了 TPS546C23降压稳压器的原理图设计、要求如下。 我想控制 PMBus 和硬件的输出。
1.3V@10-13A ,O/P RIPPLE = 10mV Vp-p,电压容差= 1%
2.3.3V @22-27A、 O/P 纹波= 9mV Vp-p、电压容差= 5%


是否有人可以通过生成带有这两个选项的 o/p 来审查它并提供有价值的投入?