This thread has been locked.

If you have a related question, please click the "Ask a related question" button in the top right corner. The newly created question will be automatically linked to this question.

[参考译文] TPS65910:TPS65910A31A1上电问题

Guru**** 2510095 points
Other Parts Discussed in Thread: AM3358

请注意,本文内容源自机器翻译,可能存在语法或其它翻译错误,仅供参考。如需获取准确内容,请参阅链接中的英语原文或自行翻译。

https://e2e.ti.com/support/power-management-group/power-management/f/power-management-forum/1103194/tps65910-tps65910a31a1-power-up-issue

器件型号:TPS65910
主题中讨论的其他器件:AM3358

大家好、

我有关于 TPS65910A31A1上电的问题。

我设计了 PMIC 原理图。

然后、当我测试时、我无法获得正确的 PMIC 输出值。

在我研究时、我看到 了 https://www.ti.com/lit/ug/swcu093f/swcu093f.pdf?ts=1635192633193

我阅读了本节内容、并针对 PWRON 引脚进行了重新设计。

当我按下按钮一次时、PMIC 工作正常、仅1 (1)秒。

当我按下此按钮7秒钟时、它不起作用。 它会关闭。

我找不到解决方案。

如何为该 PMIC (TPS65910A31A1)加电?

谢谢你。

此致、

莫尔特

  • 请注意,本文内容源自机器翻译,可能存在语法或其它翻译错误,仅供参考。如需获取准确内容,请参阅链接中的英语原文或自行翻译。

    您好 、Mert、

     请确保将 PWRHOLD 拉高以保持上电。 此处是复制自数据表的消息: PWRHOLD 信号(设置为高电平)可用于在上电序列后保持电源开启、如果这些器件的上电使能条件均未设置、则电源将在 TdOINT1延迟后关闭。

    谢谢!

    Phil

  • 请注意,本文内容源自机器翻译,可能存在语法或其它翻译错误,仅供参考。如需获取准确内容,请参阅链接中的英语原文或自行翻译。

    Phil、您好、

    感谢你的答复。

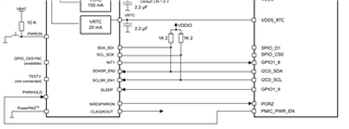
    PWRHOLD 连接到 AM3358的 PMIC_POWER_EN 引脚。

    此连接是否正确?

    我还有一个问题。

    当我测量 VAUX2时、我看到它为4.2V。 但它应该是3.3V。

    我如何使用该解决方案?

    谢谢、

    此致、

    莫尔特

  • 请注意,本文内容源自机器翻译,可能存在语法或其它翻译错误,仅供参考。如需获取准确内容,请参阅链接中的英语原文或自行翻译。

    您好 、Mert、

     您能否检查以下内容?

    1. 是否在上电后 PMIC_POWER_EN 引脚变为高电平?
    2. VCC4电平是多少? 它是 VAUX2输入。
    3. 您有多少电路板出现上电问题?
    4. 您从何处获取 PMIC 器件 TPS65910A31A1?

    谢谢!

    Phil

  • 请注意,本文内容源自机器翻译,可能存在语法或其它翻译错误,仅供参考。如需获取准确内容,请参阅链接中的英语原文或自行翻译。

    Phil、您好、

    1. PMIC_POWER_EN 始终为高电平。 没有按钮、始终处于高电平。
    2. VCC4电平为5V。
    3. 我们有8块电路板出现上电问题。
    4. 我问过我的采购部门。 我正在等待回答。

    此致、

    莫尔特

  • 请注意,本文内容源自机器翻译,可能存在语法或其它翻译错误,仅供参考。如需获取准确内容,请参阅链接中的英语原文或自行翻译。

    您好、Mert、

    还请检查"睡眠"引脚电平。 您是否看到所有8块板的  VAUX2=4.2V?  

    请发送 PMIC 器件的顶部标记图像。  

    请确保处理器也已正确编程。  

    谢谢!

    Phil

  • 请注意,本文内容源自机器翻译,可能存在语法或其它翻译错误,仅供参考。如需获取准确内容,请参阅链接中的英语原文或自行翻译。

    您好!

    我检查睡眠引脚电平。 它为0V。

    INT1为3.3V

    我看到 VAUX2 = 4.2V 所有电路板。

    如何在为 PMIC 供电之前对 AM335x 进行编程?

    如何在不为 PMIC 供电的情况下加载映像?

    谢谢、

    此致

    莫尔特

  • 请注意,本文内容源自机器翻译,可能存在语法或其它翻译错误,仅供参考。如需获取准确内容,请参阅链接中的英语原文或自行翻译。

    您好、Mert、

     您能否断开 VAUX2输出与其负载的连接、以确保它是真实的 PMIC 输出、而不是由其他电源充电? 如果在没有任何负载连接的情况下仍为4.2V、则需要咨询我们的产品测试团队。  

    谢谢!

    Phil

  • 请注意,本文内容源自机器翻译,可能存在语法或其它翻译错误,仅供参考。如需获取准确内容,请参阅链接中的英语原文或自行翻译。

    您好!

    我在负载前测量过该电压。

    然后、我测量 C22电容器的电压、仍然是4.2V

    谢谢、

    莫尔特  

  • 请注意,本文内容源自机器翻译,可能存在语法或其它翻译错误,仅供参考。如需获取准确内容,请参阅链接中的英语原文或自行翻译。

    您好、Mert、

     您能否移除 R7 (断开负载)、然后测量 C22电容器的电压?

    谢谢!

    Phil

  • 请注意,本文内容源自机器翻译,可能存在语法或其它翻译错误,仅供参考。如需获取准确内容,请参阅链接中的英语原文或自行翻译。

    您好、Mert、

      有更新吗? 如果确认 VAUX2在没有任何负载连接的情况下持续输出4.2V 电压并进行正确测量、则需要返回这些器件进行故障分析。 供参考、我们发现材料是在2018年组装的;到目前为止未报告任何故障。 客户 可以向我们发送他们的拒绝商品。

    谢谢!

    Phil

  • 请注意,本文内容源自机器翻译,可能存在语法或其它翻译错误,仅供参考。如需获取准确内容,请参阅链接中的英语原文或自行翻译。

    Phil、您好、

    我不在办公室。 我将尝试它、然后为您提供结果。

    最棒的

    莫尔特

  • 请注意,本文内容源自机器翻译,可能存在语法或其它翻译错误,仅供参考。如需获取准确内容,请参阅链接中的英语原文或自行翻译。

    您好、Phil、

    我已移除 R7、是的、我看到 PMIC VAUX2的3.3V 输出。

    但 R7的另一侧;它与 AM3358引脚连接。

    当我控制 R7的另一侧时、我看到4.2V。

    注:

    AM3358中还没有内核。

    最棒的

    莫尔特

  • 请注意,本文内容源自机器翻译,可能存在语法或其它翻译错误,仅供参考。如需获取准确内容,请参阅链接中的英语原文或自行翻译。

    您好、Mert、

    指派的专家将很快返回给您。 延误 的原因是美国阵亡将士纪念日假期。  

    此致

    Ishtiaque Panhwar

  • 请注意,本文内容源自机器翻译,可能存在语法或其它翻译错误,仅供参考。如需获取准确内容,请参阅链接中的英语原文或自行翻译。

    您好、Mert、

      R7之后看起来有问题。 如果 在 AM3358内核之前需要一个基本程序、您是否会咨询处理器团队?

    谢谢!

    Phil

  • 请注意,本文内容源自机器翻译,可能存在语法或其它翻译错误,仅供参考。如需获取准确内容,请参阅链接中的英语原文或自行翻译。

    Phil、您好、

    感谢你的帮助。

    我将与处理器团队一起检查它。

    此致、

    莫尔特