Other Parts Discussed in Thread: TPS65263
请注意,本文内容源自机器翻译,可能存在语法或其它翻译错误,仅供参考。如需获取准确内容,请参阅链接中的英语原文或自行翻译。
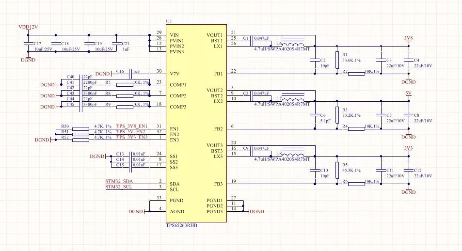
器件型号:TPS65263 尊敬的 TI 团队:
问题:
为什么 TPS65263芯片工作时负载电压会下降? 每个电路的最大负载:150mA。
原理图:

This thread has been locked.
If you have a related question, please click the "Ask a related question" button in the top right corner. The newly created question will be automatically linked to this question.