This thread has been locked.

If you have a related question, please click the "Ask a related question" button in the top right corner. The newly created question will be automatically linked to this question.

[参考译文] TPS25750:充电器协商电压

Guru**** 2616675 points

Other Parts Discussed in Thread: TPS25750, BQ25792

请注意,本文内容源自机器翻译,可能存在语法或其它翻译错误,仅供参考。如需获取准确内容,请参阅链接中的英语原文或自行翻译。

https://e2e.ti.com/support/power-management-group/power-management/f/power-management-forum/1130178/tps25750-charger-negotiation-voltage

器件型号:TPS25750
主题中讨论的其他器件: BQ25792

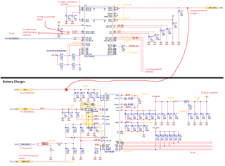
我有一个 TPS25750、BQ25792和 Microchip USB5744 (USB 集线器)、如所附图片所示
 

我的目标是将 USB PD 充电器连接到 USB C 端口、并使其始终枚举为20V (假设连接的器件将支持20V)、但是、我会根据具体情况获得不同的行为。  

  1. 当系统关闭(PP5V = VBUS = VBUS_IN = PPHV = 0V)时、充电器在插入时以20V 的电压升高
  2. 当系统打开(pp5V = 5V、VBUS = VBUS_IN = PPHV = 0V)时、充电器在插入时以5V 电压升高

我认为、通过将 ADCIN[1:2]配置设置为3、3 (协商高电压)、"器 件始终在初始隐式协议期间启用灌电流路径...并协商提供高达20V 的最高功率协议。" 但是、情况似乎并非如此。  

我猜、由于 USB 线路以菊花链形式连接到 USB5744集线器、因此在方案2中、集线器(由于它已通电)协商到5V。 但在方案1中、由于集线器未通电、TPS25750正在进行20V 的协商(按预期)。

但可能我缺少了一些东西。 有什么想法吗?

  • 请注意,本文内容源自机器翻译,可能存在语法或其它翻译错误,仅供参考。如需获取准确内容,请参阅链接中的英语原文或自行翻译。

    当我将 USB5744置于复位状态(并将 VBUS_DET 设置为0V)时、充电器仍会枚举到5V、因此我认为当 系统开启时、USB5744不会进行任何协商。

  • 请注意,本文内容源自机器翻译,可能存在语法或其它翻译错误,仅供参考。如需获取准确内容,请参阅链接中的英语原文或自行翻译。

    当系统枚举到5V 时、没有电流。 至少不足以在我的 USB 功率计上进行检测。

  • 请注意,本文内容源自机器翻译,可能存在语法或其它翻译错误,仅供参考。如需获取准确内容,请参阅链接中的英语原文或自行翻译。

    抱歉、我指的是"当充电器枚举到5V"、而不是"当系统枚举到5V"

  • 请注意,本文内容源自机器翻译,可能存在语法或其它翻译错误,仅供参考。如需获取准确内容,请参阅链接中的英语原文或自行翻译。

    你好、Zach、

    我想与您一起澄清以下几点:

    该系统(从 PD 角度来看)是提供还是灌入20V 电压? 根据您的描述、我假设此系统从 USB PD 充电器接收20V 电压、这是正确的吗?  

    2. USB PD 充电器可以提供多少功率? 具体而言、电压和电流功能是什么?

    3. 您能更详细地解释一下系统关闭/打开意味着什么吗? 假设系统是带 BQ 和 USB 集线器的 TPS25750、您是否希望始终能够灌入20V 电压、无论系统中是否有电源?

    4.如果可能、您能否获得 PD 日志、以便我们了解 PD (TPS25750)的请求量?

    请尽快告诉我这些问题的答案!  

    谢谢、此致、

    林德华

  • 请注意,本文内容源自机器翻译,可能存在语法或其它翻译错误,仅供参考。如需获取准确内容,请参阅链接中的英语原文或自行翻译。
    1. 是的、从充电中吸收20V 电压。
    2. 它是 一款100W 的基底充电器、因此可以执行5V/9V/12V/15V @ 3A 或20V @ 5A
    3. "系统开启"一词是指从 TPS25750的角度来看、PP5V 引脚为5V、由板载电源供电。  这意味着16V 电池连接到 BQ25792、并将其 SYS 输出调节到12V、下游降压转换器生成5V 电压、从而为 TPS25750 PP5V 引脚供电。 在这种情况下、我希望 TPS25750吸收20V 电压、这将为 BQ 的 VBUS 引脚提供20V 电压、这将1)为电池充电、2)为 系统其余部分提供电源(通过 BQ 的12V SYS 调节)。
    4. 我很快会向您发送 PD 日志。
  • 请注意,本文内容源自机器翻译,可能存在语法或其它翻译错误,仅供参考。如需获取准确内容,请参阅链接中的英语原文或自行翻译。

    5V 枚举:

    /cfs-file/__key/communityserver-discussions-components-files 5V-enum.csv

    20V 枚举:

    /cfs-file/__key/communityserver-discussions-components-files 20V-enum.csv

    ( 如果您愿意、我有.TDC 文件)

    下面是一些屏幕截图。

    源功能:

    20V 协商成功

  • 请注意,本文内容源自机器翻译,可能存在语法或其它翻译错误,仅供参考。如需获取准确内容,请参阅链接中的英语原文或自行翻译。

    当它在5V 进行枚举时、事实证明没有任何响应/请求任何内容、因此(我想)它默认为5V。

  • 请注意,本文内容源自机器翻译,可能存在语法或其它翻译错误,仅供参考。如需获取准确内容,请参阅链接中的英语原文或自行翻译。

    你好、Zach、

    感谢您提供答案。 是的、如果可能、您可以向我发送.TDC 文件吗?  

    谢谢、此致、

    林德华

  • 请注意,本文内容源自机器翻译,可能存在语法或其它翻译错误,仅供参考。如需获取准确内容,请参阅链接中的英语原文或自行翻译。

    /cfs-file/__key/communityserver-discussions-components-files 5V-enum.tdc.txt

    /cfs-file/__key/communityserver-discussions-components-files 20V-enum.tdc.txt

    我不会上传.tDC 文件、所以我只在文件名中标记了".txt "。 但它们是.tDC 文件。

  • 请注意,本文内容源自机器翻译,可能存在语法或其它翻译错误,仅供参考。如需获取准确内容,请参阅链接中的英语原文或自行翻译。

    你好、Zach、

    感谢您提供这些文件、我将在本周的最末提供更新!

  • 请注意,本文内容源自机器翻译,可能存在语法或其它翻译错误,仅供参考。如需获取准确内容,请参阅链接中的英语原文或自行翻译。

    如上面的原理图所示、USB 差分对从连接器变为 TPS25750、再变为 USB5744。 我们怀疑这是无意的、因此我们将数据线剪切到 TPS25750、但这似乎没有效果。

  • 请注意,本文内容源自机器翻译,可能存在语法或其它翻译错误,仅供参考。如需获取准确内容,请参阅链接中的英语原文或自行翻译。

    当 PP5V 为5V 时、TPS25750不会响应充电器的 Source_Cap 消息、因此充电器会枚举到5V (而不是所需的20)。

    当我发出 GSrc 命令时、该命令成功完成(CMD 寄存器读取为全0)、但数据寄存器中的任务返回代码具有0x03的返回代码(任务被拒绝)。 MODE 寄存器指示 PTCH 模式、因此我尝试发出 PBMC 命令以返回到 APP 模式、但数据寄存器显示 Task Rejected (任务被拒绝)。

    当 PP5V 上有5V 电压时、TPS25750似乎会进入 PTCH 模式、而我在主机接口 TRM 中看不到使其脱离该模式的方法。 我猜这意味着我需要修补它才能继续。

  • 请注意,本文内容源自机器翻译,可能存在语法或其它翻译错误,仅供参考。如需获取准确内容,请参阅链接中的英语原文或自行翻译。

    噢,这是多汁的。 在 PTCH 模式下(在应用了5V PP5V 后连接 PD 充电器)、状态寄存器会识别连接了支持 PD 的器件(UsbHostPresent=3)、但 TPS25750的作用类似于传统源"它不会响应 USB PD 消息流量"(ActiveAsLegacy = 2)。 不过,奇怪的是,PlugPresent=0表示没有连接插头,但它显然是连接的。

  • 请注意,本文内容源自机器翻译,可能存在语法或其它翻译错误,仅供参考。如需获取准确内容,请参阅链接中的英语原文或自行翻译。

    你好、Zach、

    感谢您提供所有信息! 我将在明天提供我的调查结果的答案/更新。

    谢谢、此致、

    林德华

  • 请注意,本文内容源自机器翻译,可能存在语法或其它翻译错误,仅供参考。如需获取准确内容,请参阅链接中的英语原文或自行翻译。

    我们将 EEPROM 焊接到电路板上、并且能够读取/写入(不是通过 I2C/I2Cm 桥、而是直接读取)。 我从配置工具中加载了一个“完整闪存”文件,但 TPS25750似乎甚至没有尝试读取它。  

    此时、我认为我们需要的是闪存配置文件以及使 TPS25750读取它的方法。 或者、我们可以通过 I2C 对其进行修补。

  • 请注意,本文内容源自机器翻译,可能存在语法或其它翻译错误,仅供参考。如需获取准确内容,请参阅链接中的英语原文或自行翻译。

    你好、Zach、

    下面随附了 GUI 的默认配置(二进制和 JSON 设置文件、因此您可以在在线 GUI 上打开该文件)。 您能否尝试查看是否可以将其刷写到您的器件中?  

    还要检查以确保您使用的适配器(Tiva、FTDI、Aardvark)设置为正确的串行通信(在您的情况下、它看起来像 I2C)。  

    我认为、PD 控制器在系统开启时继续协商5V 的原因是因为 BQ (正在从活动电池接收电源)无法检测充电器何时连接(是否有任何中断事件指示 BQ 停止供电?)。 我将检查 TRM 中是否有事件通知 BQ 已检测到充电器。  

    请告诉我这些配置是否正常工作、下周我将再次与我的团队核实 PTCH 模式(如果您的器件仍然卡在此处)。  

    谢谢、此致、

    林德麟

  • 请注意,本文内容源自机器翻译,可能存在语法或其它翻译错误,仅供参考。如需获取准确内容,请参阅链接中的英语原文或自行翻译。

    谢谢 Raymond、

    TPS25750和 BQ25759是独立管理的、彼此之间不进行通信;它们不知道另一个存在。  

    我将尝试将 binry 文件加载到 EEPROM 中、但我们仍面临 TPS25750甚至不尝试读取 EEPROM 的问题。  

  • 请注意,本文内容源自机器翻译,可能存在语法或其它翻译错误,仅供参考。如需获取准确内容,请参阅链接中的英语原文或自行翻译。

    通过"将其刷写到您的器件中"、我假设您希望我对 EEPROM 进行编程? 或者、您是要通过 I2C 上传补丁吗?

  • 请注意,本文内容源自机器翻译,可能存在语法或其它翻译错误,仅供参考。如需获取准确内容,请参阅链接中的英语原文或自行翻译。

    我看不到附加的任何文件

  • 请注意,本文内容源自机器翻译,可能存在语法或其它翻译错误,仅供参考。如需获取准确内容,请参阅链接中的英语原文或自行翻译。

    你好、Zach、

    很抱歉、我忘记将其附加到我之前的主题中、是的、您可以尝试重新编程 EEPROM 吗?

    谢谢、此致、

    林德华

    JSON 设置:  /cfs-file/__key/communityserver-discussions-components-files 196/Default_5F00_Sink_5F00_only_5F00_Config_5F00_Settings.json

    二进制文件: e2e.ti.com/.../Default_5F00_TPS25750_5F00_Sink_5F00_Only_5F00_Config.bin

  • 请注意,本文内容源自机器翻译,可能存在语法或其它翻译错误,仅供参考。如需获取准确内容,请参阅链接中的英语原文或自行翻译。

    谢谢你。 我在 EEPROM 上加载了配置并验证了其内容。 随附的文件是寄存器转储、文件名中的数字与下面的情况相对应。

    1. 电路板已开启 (5V 应用于 PP5V、3.3V 应用于 VIN_3V3)、它从 EEPROM 引导并进入应用模式。
    2. 场景1之后、电缆插入充电器。  协商20V/5A (由 ACTIVE_CONTACT_PDO 指示)是的!
    3. 在场景2之后、在电路板仍通电的情况下拔下电缆。 ACTIVE_CONTACT_PDO 被清除
    4. 在场景3之后、重新插入电缆、它再次协商20V/5A。 耶!
    5. 在方案4之后、关闭器件电源(从 PP5V/VIN_3V3中移除5V/3.3V)、器件似乎会断电并"重新启动"。 然而、它处于 PTCH 模式并且充电器输出5V/0A。
    6. 在场景5之后、为系统加电(向 PP5V/VIN_3V3施加5V/3.3V 电压)、仍处于补丁模式、仍然没有来自充电器的电流。 按照 TRM 第53页的流程图、我尝试通过 I2C 编写补丁(我认为这只是您上面提供的.bin 文件):
      1. INT_EVENT1.ReadyForPatch 设置为1
      2. 模式被设定为'PTCH'
      3. Data1寄存器中填充了相关信息
      4. 'PBMS'被写入 CMD1
      5. CMD1寄存器读回为[0、0、0]
      6. Data1寄存器读取0x4、这表示(根据 TRM 的表3-1)"由于 Rx 缓冲器被锁定、任务被拒绝"。

    现在、要成功 为系统供电、必须插入充电器并打开系统。

    如果在系统关闭、PTCH 模式和所有电源时插入充电器(必须移除以擦除配置数据、然后才能再次工作)。

    有什么关于如何解决此问题的想法吗?

  • 请注意,本文内容源自机器翻译,可能存在语法或其它翻译错误,仅供参考。如需获取准确内容,请参阅链接中的英语原文或自行翻译。

    您好、Zack、

    我需要进一步研究、并提供任何新发现的更新。

    您能否提供当前配置的 JSON 文件(问题单中回答了 BQ 设置)?
    谢谢、此致、

    林德华

  • 请注意,本文内容源自机器翻译,可能存在语法或其它翻译错误,仅供参考。如需获取准确内容,请参阅链接中的英语原文或自行翻译。

    这是您在上面提供的文件,看起来您也提供了 JSON 文件

  • 请注意,本文内容源自机器翻译,可能存在语法或其它翻译错误,仅供参考。如需获取准确内容,请参阅链接中的英语原文或自行翻译。

    你好、Zach、

    感谢您的澄清、请查看此内容!

    谢谢、此致、

    林德华