大家好、
我 对 LM2990的输入和输出电容器的状况有疑问。
在数据表中、输入和输出电容器的条件如下图所示。
在上述说明中、在与稳压器相同的工作温度范围内、等效串联电阻(ESR)应小于10欧姆。
因此、我认为可以使用多层陶瓷电容器、因为多层陶瓷电容器的 ESR 小于 铝电解电容器和实心钽电容器。
我的问题如下。
・输入/输出电容器可以使用多层陶瓷电容器吗?
・如果我可以使用 多层陶瓷电容器、建议使用什么电容?
・我不能使用多层陶瓷电容器、原因是什么。
此致、
Shohei
This thread has been locked.
If you have a related question, please click the "Ask a related question" button in the top right corner. The newly created question will be automatically linked to this question.
大家好、
我 对 LM2990的输入和输出电容器的状况有疑问。
在数据表中、输入和输出电容器的条件如下图所示。
在上述说明中、在与稳压器相同的工作温度范围内、等效串联电阻(ESR)应小于10欧姆。
因此、我认为可以使用多层陶瓷电容器、因为多层陶瓷电容器的 ESR 小于 铝电解电容器和实心钽电容器。
我的问题如下。
・输入/输出电容器可以使用多层陶瓷电容器吗?
・如果我可以使用 多层陶瓷电容器、建议使用什么电容?
・我不能使用多层陶瓷电容器、原因是什么。
此致、
Shohei
您好、Shohei、
是的、此处可以使用陶瓷电容器。 对于稳定性问题、1uF 可能是最低值。 数据表指定使用铝电解电容器时10uF 的原因是、对于较小的电容、ESR 通常更大、而小于10uF 的铝电解电容器可能会超出10Ω μ F 的最大 ESR 要求。 1uF 的10Ω 钽电容器不会大于 Ω ESR。
请务必根据图21选择至少30mΩ μ F 的电容器:

如果您有兴趣、下面是有关 LDO 稳定性背景下 ESR 的应用手册:
此致、
Nick
您好、Nick、
感谢你的答复。
从您的回答中、我还有两个问题。
问题是的
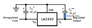
・输入电容器是否存在 ESR 条件? 我读取 了 ESR、稳定性和 LDO 稳压器、 我认为输出电容 ESR 受到限制。
・任何陶瓷电容器的 ESR 均小于30mΩ μ F。 如果我们想使用上述陶瓷电容器、能否使用串行电阻器? (下图)

此致、
Shohei