This thread has been locked.

If you have a related question, please click the "Ask a related question" button in the top right corner. The newly created question will be automatically linked to this question.

[参考译文] LM25149-Q1:Sch 评估

Guru**** 2535750 points
Other Parts Discussed in Thread: LM25149-Q1, LM25148-Q1, LM25149, LM25148

请注意,本文内容源自机器翻译,可能存在语法或其它翻译错误,仅供参考。如需获取准确内容,请参阅链接中的英语原文或自行翻译。

https://e2e.ti.com/support/power-management-group/power-management/f/power-management-forum/1024227/lm25149-q1-sch-review

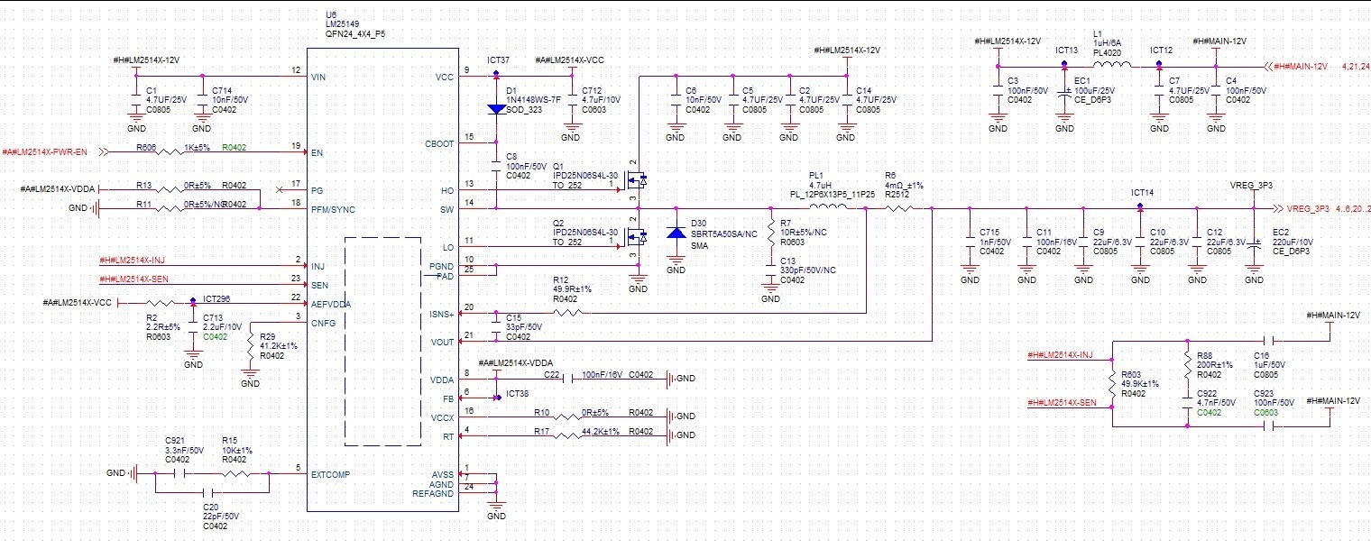
器件型号:LM25149-Q1
主题中讨论的其他器件: LM25148-Q1LM25149LM25148

大家好、

您能否帮助查看 LM25149-Q1原理图? 尤其是 VCCX 连接。 谢谢你。

同时、您能否分享 LM25148-Q1和 LM25149-Q1之间的差异? 它们是否可以 P2P 替代?  

  • 请注意,本文内容源自机器翻译,可能存在语法或其它翻译错误,仅供参考。如需获取准确内容,请参阅链接中的英语原文或自行翻译。

    尊敬的 Betty:

    您能否为  该设计附加快速入门计算器 Excel 文件? 我们两个人都可以更轻松地进行检查。

    如果不使用 VCCX、则可连接到 GND。

    LM25148是与 LM25149相同的控制器、但没有有源 EMI 滤波器。

    希望这对您有所帮助、

    -奥兰多