Hiya、
我在电路板中使用 TPS63802稳压器(2个否)来生成3.6V 和3.8V。 遗憾的是、我没有获得预期的输出。 有人能帮我找出问题吗?
我可以看到 Vin 引脚和使能引脚(3.7V)中有足够的电压 、VFB 电压未达到足够的水平、而3.6V 稳压器中有0.125V 电压、3.8V 稳压器中有0.213V 电压。
PG 引脚连接到 Vin
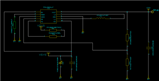
电路如下所示、

此致、
Sarath
This thread has been locked.
If you have a related question, please click the "Ask a related question" button in the top right corner. The newly created question will be automatically linked to this question.
Hiya、
我在电路板中使用 TPS63802稳压器(2个否)来生成3.6V 和3.8V。 遗憾的是、我没有获得预期的输出。 有人能帮我找出问题吗?
我可以看到 Vin 引脚和使能引脚(3.7V)中有足够的电压 、VFB 电压未达到足够的水平、而3.6V 稳压器中有0.125V 电压、3.8V 稳压器中有0.213V 电压。
PG 引脚连接到 Vin
电路如下所示、

此致、
Sarath
您好、Sarah、
对于引脚电压、 您可以在数据表中找到许多有用的信息。 例如绝对最大额定值和电解特性。
对于您的布局而言、这真的很糟糕
point1:交换 C14和 C44的位置以使 VIN 引脚的尖峰更小
Point2:确保 PCB 走线足够宽以承载高电流、例如 L1 L2引脚连接到电感器
Point3:C24应尽可能靠近芯片
无论如何 、您可以参考数据表中的布局示例
此外、我认为您应该使用两个22 μ F 并联作为输出电容器。
此致
TAO