您好!
我的客户 在其扬声器产品中使用了两个 TLV62569A。 5V USB 输入、3.3V 和1.8V 输出。 到目前为止、它们未通过 EN55032辐射测试。 我知道这是一个系统问题。 帮助查看 TI 器件是否存在潜在问题。 感谢您提出进一步调试的建议、以便找到此问题。
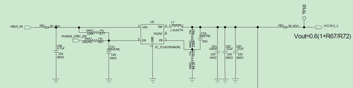
原理图:
PCB:
测试中已修复:
禁用 TLV62569A、可以看到改进。
This thread has been locked.
If you have a related question, please click the "Ask a related question" button in the top right corner. The newly created question will be automatically linked to this question.
尊敬的 Yue:
有关改进辐射 EMI 的布局建议、请参阅随附的文件。
另一方面、您能否让客户测量 VIN-GND 引脚和 SW-GND 引脚波形(示波器带宽设置为1GHz)?
e2e.ti.com/.../TLV62569A_5F00_layout-proposal.pdf
谢谢你。
此致、
Excel
尊敬的 Yue:
感谢您的更新。
高频噪声可归因于 VIN 和 SW 引脚。 通过在 SW 引脚和 GND 之间添加一个小电容器(数十到数百 pF)、可抑制 SW 引脚上的 HF 振铃。 但是、请注意、放置电容器可能会导致效率降低。 可以在 VIN 引脚上限制电压振铃、但它可能需要~100pF -~100nF 范围内的更高电容。 最好使用0402电容器、因为它具有较低的 ESL。
此致、
Excel
Excel、
我今天刚拿到了他们的电路板、并进行了测试。 在该设计中、它们使用了两个 TLV62569A。 一个用于5V 至3.3V、另一个用于5V 至1.8V。 我使用1G BW osc 进行了测试、 下面是采集图像、很明显、SW 引脚上存在明显的 HF 振铃。 我认为一种临时改进的解决方案是添加缓冲电路。 根据波形、我没有太多经验、您是否会建议合适的 RC 值。 在本例中为。 谢谢。
SW 至 GND (5V 至3.3V)

SW 至 GND (5V 至1.8V)

VIN 纹波:

Excel
我找到了计算缓冲器参数的方法。 。 无需更多支持。 谢谢