This thread has been locked.

If you have a related question, please click the "Ask a related question" button in the top right corner. The newly created question will be automatically linked to this question.

[参考译文] TL431:引线的长度

Guru**** 2539500 points


请注意,本文内容源自机器翻译,可能存在语法或其它翻译错误,仅供参考。如需获取准确内容,请参阅链接中的英语原文或自行翻译。

https://e2e.ti.com/support/power-management-group/power-management/f/power-management-forum/977882/tl431-length-of-the-lead

器件型号:TL431

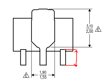
大家好、我知道下面的导联长度吗?

  • 请注意,本文内容源自机器翻译,可能存在语法或其它翻译错误,仅供参考。如需获取准确内容,请参阅链接中的英语原文或自行翻译。

    您好!

    让我来看看这个。 为什么封装图上的1.2/0.8长度不够?

  • 请注意,本文内容源自机器翻译,可能存在语法或其它翻译错误,仅供参考。如需获取准确内容,请参阅链接中的英语原文或自行翻译。

    插入数据表中的屏幕截图以说明所提到的尺寸 Marcoo。 如果这回答了问题、您可以关闭该主题吗?

  • 请注意,本文内容源自机器翻译,可能存在语法或其它翻译错误,仅供参考。如需获取准确内容,请参阅链接中的英语原文或自行翻译。

    大家好、根据图示、导联的一部分将在男孩下面。 1.2/0.8是指从引线束角到身体边缘的长度。 如果可能、我想确认整个引线长度、包括主体下方的引线长度。

  • 请注意,本文内容源自机器翻译,可能存在语法或其它翻译错误,仅供参考。如需获取准确内容,请参阅链接中的英语原文或自行翻译。

    您好,第60页的焊盘图案显示最大尺寸为1.5。 我现时没有这部分的资料,但这对土地模式并不重要。

    我能做的最好的事情是测量器件、但我无法为您提供最大或最小偏差。 这是可以接受的吗?