This thread has been locked.

If you have a related question, please click the "Ask a related question" button in the top right corner. The newly created question will be automatically linked to this question.

[参考译文] LM3488:LM3488间歇性振荡

Guru**** 2502455 points
Other Parts Discussed in Thread: LM3488

请注意,本文内容源自机器翻译,可能存在语法或其它翻译错误,仅供参考。如需获取准确内容,请参阅链接中的英语原文或自行翻译。

https://e2e.ti.com/support/power-management-group/power-management/f/power-management-forum/986252/lm3488-lm3488-intermittent-oscillation

器件型号:LM3488

您好!

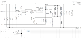
这是我的电路及其输出波形(MT_VCC)。 您可以看到间歇性振荡的波形。 该振荡是由于低负载电流还是脉冲电流引起的? MT_VCC 的峰值电流为21.6mA、平均电流为1.89mA。 请帮助我们确定原因并解决此问题。

此致、

  • 请注意,本文内容源自机器翻译,可能存在语法或其它翻译错误,仅供参考。如需获取准确内容,请参阅链接中的英语原文或自行翻译。

    您好!

    感谢您的联系。 您能否分享输入电压、输出电压和开关频率的值? 您是否进行此测量的目的是在轻负载条件下测试器件? 这种影响是否会更好地增大负载电流?
    我期待您的回答。  

    此致、

    Elisabetta

  • 请注意,本文内容源自机器翻译,可能存在语法或其它翻译错误,仅供参考。如需获取准确内容,请参阅链接中的英语原文或自行翻译。

    您好!

    感谢您的回复。 我将 Vin、Vout、频率等值共享为低电平。 我进行了测量、目的是在轻负载条件下进行测试。 我使用 LM3488作为电机和 LED 的电源。 当不使用电机和 LED 时、器件处于轻负载状态。 当电机和 LED 运行时、不会发生间歇性振荡。

    此致、

    Shingo

  • 请注意,本文内容源自机器翻译,可能存在语法或其它翻译错误,仅供参考。如需获取准确内容,请参阅链接中的英语原文或自行翻译。

    该值是低值。

    VIN:7.2V、Vout:16V、频率:250kHz

  • 请注意,本文内容源自机器翻译,可能存在语法或其它翻译错误,仅供参考。如需获取准确内容,请参阅链接中的英语原文或自行翻译。

    您好!

    您何时可以 回答我的请求? 很抱歉、当您忙时、我会打扰您、但我期待尽快收到您的回复。

    此致、

    Shingo

  • 请注意,本文内容源自机器翻译,可能存在语法或其它翻译错误,仅供参考。如需获取准确内容,请参阅链接中的英语原文或自行翻译。

    您好!

    看起来该测量是在示波器上的交流耦合中进行的。 请提供以下图表:  

    • 直流耦合中的开关节点和输出电压  
    • 直流耦合中无负载时的开关节点和输出电压  

    我很期待您的回复。  

    此致、

    Elisabetta

  • 请注意,本文内容源自机器翻译,可能存在语法或其它翻译错误,仅供参考。如需获取准确内容,请参阅链接中的英语原文或自行翻译。

    您好!

    我用直流耦合模式下的空载替换了波形。

    请检查一下。

    此致、

    Shingo

  • 请注意,本文内容源自机器翻译,可能存在语法或其它翻译错误,仅供参考。如需获取准确内容,请参阅链接中的英语原文或自行翻译。

    您好、Shingo、  

    感谢您的回复。 让我与您分享一个注意事项:  

    我看到反馈网络上有一个1nF (C54 1000pF_50V)的电容器、这可能是您看到的行为的原因。 该电容器可能会减慢您的环路、这可能是您看到 Vout 下降的原因。 您能否测量标称16V 下的输出电压下降? 我建议移除该电容器(C54)、如果您看到反馈噪声很大、请尝试添加一个电容器、大约为10pF。  

    此外、我还想查看反馈电压的测量结果。

    我期待您的回答。

    此致、

    Elisabetta  

  • 请注意,本文内容源自机器翻译,可能存在语法或其它翻译错误,仅供参考。如需获取准确内容,请参阅链接中的英语原文或自行翻译。

    您好!

    感谢您的回复。

    我测量了已安装和未安装 C54的波形。

    它们之间没有变化。  

    请检查一下它们吗?

    此致、

    Shingo

  • 请注意,本文内容源自机器翻译,可能存在语法或其它翻译错误,仅供参考。如需获取准确内容,请参阅链接中的英语原文或自行翻译。

    您好、Shingo、  

    您能否也提供 AC_BP 信号的示波器图?  

    此致、

    Elisabetta  

  • 请注意,本文内容源自机器翻译,可能存在语法或其它翻译错误,仅供参考。如需获取准确内容,请参阅链接中的英语原文或自行翻译。

    您好!

    感谢您的回复。


    我也测量了*交流_BP 信号波形并更正了电路图。 我们的单元具有两种电压模式:8.5V 和16V

    当*交流_BP 为开路(高电平)时、MT_VCC 变为16V

    当*交流_BP 为低电平时、MT_VCC 变为8.5V

    我们打算使用* ac_bp 作为固定值,因此* ac_bp 在运行期间不会改变。

    此致、

    Shingo

  • 请注意,本文内容源自机器翻译,可能存在语法或其它翻译错误,仅供参考。如需获取准确内容,请参阅链接中的英语原文或自行翻译。

    您好、Shingo、

     

    根据您提供的所有直流测量值、由于在 FB 引脚上检测到电压、该器件将进入过压保护。 对于这样的轻负载、您在这里看到的是转换器正常行为的一部分。 降低频率并降低电感器的值可能会有所帮助。 请查看数据表的第12页以了解更多信息

    www.ti.com/.../lm3488.pdf

     

    此致、

    Elisabetta

  • 请注意,本文内容源自机器翻译,可能存在语法或其它翻译错误,仅供参考。如需获取准确内容,请参阅链接中的英语原文或自行翻译。

    Elisabetta、您好!

    感谢您的回复。

    频率和电感值不能改变、因此、我们考虑添加负载电阻作为增加负载电流的对策。 您能告诉我发生了什么电流值间歇性振荡吗?

    此致、

    Shingo

     

  • 请注意,本文内容源自机器翻译,可能存在语法或其它翻译错误,仅供参考。如需获取准确内容,请参阅链接中的英语原文或自行翻译。

    您好、Shingo、  

    在这种情况下、最佳做法是直接在具有电子负载(甚至是电位器)的电路板上尝试、并查看不会发生这种行为的负载值。  

    此致、  

    Elisabetta  

  • 请注意,本文内容源自机器翻译,可能存在语法或其它翻译错误,仅供参考。如需获取准确内容,请参阅链接中的英语原文或自行翻译。

    Elisabetta、您好!

    感谢您的回复。

    要重复这个问题、您能告诉我发生了什么电流值间歇性振荡吗?当 LM3488发生间歇性振荡时、我想知道电流的设计值。

     

  • 请注意,本文内容源自机器翻译,可能存在语法或其它翻译错误,仅供参考。如需获取准确内容,请参阅链接中的英语原文或自行翻译。

    Elisabetta、您好!

    很抱歉,我知道你很忙,但我期待听到你的声音。

    您能否告诉我是否有设计值? 如果是、请告诉我确切的设计值。

    此致、

    Shingo

  • 请注意,本文内容源自机器翻译,可能存在语法或其它翻译错误,仅供参考。如需获取准确内容,请参阅链接中的英语原文或自行翻译。

    您好、Shingo、  

    我不知道有什么设计值可以精确地识别轻负载条件、但我可以对此进行仔细检查。 在这种情况下、如果您有电子负载、我会直接在该电路板上检查负载电流。  

    此致、  

    Elisabetta

  • 请注意,本文内容源自机器翻译,可能存在语法或其它翻译错误,仅供参考。如需获取准确内容,请参阅链接中的英语原文或自行翻译。

    Elisabetta、您好!

    感谢你的答复。 如果您可以检查设计值、那将非常有帮助。

    我期待你的答复。

    此致、  

    Shingo

  • 请注意,本文内容源自机器翻译,可能存在语法或其它翻译错误,仅供参考。如需获取准确内容,请参阅链接中的英语原文或自行翻译。

    您好、Shingo、  

    数据表仅报告消隐时间。 在这种情况下、最佳做法是使用电子负载测量该值、并为测量值增加一些裕度、以确保器件不会进入 OVP。

    此致、

    Elisabetta  

  • 请注意,本文内容源自机器翻译,可能存在语法或其它翻译错误,仅供参考。如需获取准确内容,请参阅链接中的英语原文或自行翻译。

    您好、Shingo、  

    由于我没有听到您的反馈、我将关闭此主题。 如果您有进一步的问题、请在该主题下方发布、如果由于超时而锁定、请打开一个新主题。  

    此致。