This thread has been locked.

If you have a related question, please click the "Ask a related question" button in the top right corner. The newly created question will be automatically linked to this question.

[参考译文] LP55231:无论通过设置寄存器4或5、LED 都无法打开

Guru**** 2390670 points
Other Parts Discussed in Thread: LP55231
请注意,本文内容源自机器翻译,可能存在语法或其它翻译错误,仅供参考。如需获取准确内容,请参阅链接中的英语原文或自行翻译。

https://e2e.ti.com/support/power-management-group/power-management/f/power-management-forum/881596/lp55231-led-cannot-turn-on-no-matter-by-setting-register-4-or-5

器件型号:LP55231

尊敬的团队:

很高兴与您联系、我收到了一个 LP55231、客户研发部出现了症状

所有流程如下所示、

1.开启芯片(寄存器01h 位[6])

2.打开电荷泵(寄存器36h 位[4:3])

3.将 PWM 设置为255 (寄存器16-1B)到11111111

将175处的电流(寄存器26-2B)设置为10101111

将 PWM 设置为0 (寄存器16-1B)至00000000、或将电流设置为0 (寄存器26-2B)至00000000。

当我逐个将寄存器16-1B 或26-2B 设置为0时、LED 始终熄灭。 此时我仍可以读取寄存器设置、但 LED 不能通过设置寄存器4或5、寄存器16-1B 和寄存器26-2B 打开、直到重新打开电源。

您是否有任何建议让我们在发生 LED 熄灭时检查 IC 的状态?

 

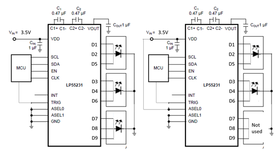
原理图如下所示、我们对一个 LED 使用3CH。 在我们的系统中、总共有2个 LP55231和5个 LED。

谢谢。

Kane

  • 请注意,本文内容源自机器翻译,可能存在语法或其它翻译错误,仅供参考。如需获取准确内容,请参阅链接中的英语原文或自行翻译。

    您好 Kane、

    我不是很理解描述"我目前仍然可以读取寄存器设置、但 LED 不能通过设置寄存器4或5、寄存器16-1B 和寄存器26-2B 来打开、直到重新打开电源"。 如果重新设置了过程3和4、则 LED 应亮起。 在 LED 错误关闭的情况下、您能否帮助客户读取所有寄存器。

    BTW、您知道客户为什么将[D1、D2、D5]、 [D3、D4、D6]、 [D7、D8、D9]设置为3组? 通常、我们将设置为 [D1、D2、D7]、 [D3、D4、D8]、 [D5、D6、D9]、因为 D7、D8、 D9连接到 VDD、适合红色 LED。 它只是很好奇、不应与此关闭问题相关。

  • 请注意,本文内容源自机器翻译,可能存在语法或其它翻译错误,仅供参考。如需获取准确内容,请参阅链接中的英语原文或自行翻译。

    您好、Hardy、

    感谢您的评论、请查看我与客户的更新、如下所示:

    完成过程3和4后、LED 亮起。

           然后、我们需要关闭 LED 一段时间、以便我们可以使用其他方法、

    1. 将寄存器16-1B 更改为0。 (PWM 控制为0)
    2. 寄存器26-2B 设为0。 (电流控制至0)

     

    将寄存器16-1B 从255设置为0以关闭 LED。 一步一步、如下所示、

    1. 将寄存器16设为0。
    2. 将寄存器17设为0。
    3. 将寄存器18设为0。
    4. 将寄存器19设为0。 我们发现寄存器1A 和1B 同时设置为0。

    之后、我们将所有通道 PWM 设置回255、但失败、PWM 始终为0、这意味着 LED 无法打开。

    我还尝试将寄存器04/05设置为255、但仍然失败。

    此时,我们可以读取所有 IC 的寄存器设置。

     

    在我们重新接通电源之前、可以打开 LED、但在上述整个过程中、LED 再次关闭。

     

    请告诉我您需要哪个州的寄存器。 只是 LED 指示灯错误地熄灭了?

     

           对于原理图设计,我们不使用红色 LED。

           [D1-D6]使用较高的 VF LED、因此连接到电荷泵输出。

    [D7-D9]使用较低的 VF LED、因此直接连接到 VDD。

           我们现在使用3CH 转1LED。

    1. [D1、D2、D5]
    2. [D3、D4、D6]
    3. [D7、D8、D9]

           如果我们不需要更高的电流、我们会为2通道至1 LED 保留另一个解决方案。

    1. [D1、D2]
    2. [ D3、D4]
    3. [D7、D8]

    Kane

  • 请注意,本文内容源自机器翻译,可能存在语法或其它翻译错误,仅供参考。如需获取准确内容,请参阅链接中的英语原文或自行翻译。

    您好 Kane、

    为了进行确认、在这个过程中、1)寄存器16至0;2)寄存器17至0;3)寄存器18至0、LED1-3被逐一关闭。 但在4之后)将寄存器19设置为0。 我们发现寄存器1A 和1B 同时设置为0、这意味着客户没有向寄存器1A 和1B 写入0、但通道5和6也会关闭? 这很奇怪。 可能其他寄存器被这个过程错误写入。 您能否让客户进行2次以下测试。

    1) 1)在"我们将所有通道 PWM 设置回255 "之前和之后读取寄存器。
    2) 2)发生错误状态后、尝试重新设置 Chip_EN 和 Charge Pump_EN、以查看它是否可以再次打开 LED。

  • 请注意,本文内容源自机器翻译,可能存在语法或其它翻译错误,仅供参考。如需获取准确内容,请参阅链接中的英语原文或自行翻译。

    您好、Hardy、

    请参阅以下我的客户更新:

    1)   1)在"我们将所有通道 PWM 设置回255 "之前和之后读取寄存器。

    请检查所有步骤的注册状态附件。

    最后一步、您可以发现即使 D6 PWM 仍然为255、D6的电压也很小。

    D6没有输出到 LED。

    2) 2)   发生错误状态后、尝试重新设置 Chip_EN 和 Charge Pump_EN、以查看它是否可以再次打开 LED。

    1. 重新设置 Chip_EN,它 可以再次打开 LED。
    2. 重新设置 CP_EN,无法打开 LED again.e2e.ti.com/.../LP55231_5F00_20200302.xlsx
  • 请注意,本文内容源自机器翻译,可能存在语法或其它翻译错误,仅供参考。如需获取准确内容,请参阅链接中的英语原文或自行翻译。

    您好 Kane、

    这很奇怪、正常器件上不会发生这种情况、我也无法在客户的步骤中在 EVM 上重复这种情况。 这种异常行为是否在另一个 IC 上发生?  

  • 请注意,本文内容源自机器翻译,可能存在语法或其它翻译错误,仅供参考。如需获取准确内容,请参阅链接中的英语原文或自行翻译。

    您好、Hardy、

    在这种情况下、我只有一个 LP55231。

    或者、我应该发送此 IC 让 FAE 检查状态吗?

    谢谢、

    李国荣。  

  • 请注意,本文内容源自机器翻译,可能存在语法或其它翻译错误,仅供参考。如需获取准确内容,请参阅链接中的英语原文或自行翻译。

    您好、Poyi、

    为了进行确认、我看到系统中有两个 LP55231、您的意思是只有一个有此问题吗? 在这种情况下、我怀疑这个可能异常或损坏。 您可以联系 FAE 以获取进一步的故障分析请求。

  • 请注意,本文内容源自机器翻译,可能存在语法或其它翻译错误,仅供参考。如需获取准确内容,请参阅链接中的英语原文或自行翻译。

    您好、Hardy、

       是的、另一个正常工作。

       我将直接联系 FAE。

       谢谢、Poyi