This thread has been locked.

If you have a related question, please click the "Ask a related question" button in the top right corner. The newly created question will be automatically linked to this question.

[参考译文] TPS65130:TPS65130负输出不符合设计电阻器的预期

Guru**** 2503745 points
Other Parts Discussed in Thread: TPS65130

请注意,本文内容源自机器翻译,可能存在语法或其它翻译错误,仅供参考。如需获取准确内容,请参阅链接中的英语原文或自行翻译。

https://e2e.ti.com/support/power-management-group/power-management/f/power-management-forum/940700/tps65130-tps65130-negative-output-not-as-expected-for-the-designed-resistors

器件型号:TPS65130

您好!

我们在定制板中使用 TPS65130。

我刚才提到了用于设计电阻器的数据表。 我需要-7V;我选择了 R3=690K Ω、R4=120K Ω;

但是、对于设计的电阻器、我没有按预期获得负输出;我必须将其更改为 R3=220k Ω 和 R4=47k Ω

请解释或分享一些其他文档以澄清这一点。

如果您的工作台设计为+/-7V、请与我分享。

请澄清并支持我们

此致、

印第拉

  • 请注意,本文内容源自机器翻译,可能存在语法或其它翻译错误,仅供参考。如需获取准确内容,请参阅链接中的英语原文或自行翻译。

    您好 Indira、

     当 R3=220k Ω 和 R4=47k Ω 时、您将获得-7V 电压、这毫无意义、因为这应该大约为-5.6V。

    当您使用 R3=690Kohm 和 R4=120Kohm 时、如果您说您没有获得正确的电压 pf -7V、您会得到什么电压?

    您能否附上原理图、并在同一示波器图上捕获三个通道的反相降压/升压转换器开关节点、负输出电压和输入电压的示波器图? 这可能为我们提供了一些线索、告诉我们为什么在负轨上没有获得适当的电压。

    此致、

    辽卡特

      

  • 请注意,本文内容源自机器翻译,可能存在语法或其它翻译错误,仅供参考。如需获取准确内容,请参阅链接中的英语原文或自行翻译。

    您好!

    感谢您的即时响应。 我粘贴了我们用于双电源的原理图。 当我们使用 R3=R52=690k Ω 和 R4=R51=120k Ω 时、我们得到了-12V 电压。 因此 、我们在试验中将电阻器更改为 R3=220k Ω 和 R4=47k Ω、以获得-7V 电压。

    谢谢、此致、

    印第拉

  • 请注意,本文内容源自机器翻译,可能存在语法或其它翻译错误,仅供参考。如需获取准确内容,请参阅链接中的英语原文或自行翻译。

    您好 Indira、

    我无法查看您的原理图。 您可以重新连接吗?

    此致、

    辽卡特

  • 请注意,本文内容源自机器翻译,可能存在语法或其它翻译错误,仅供参考。如需获取准确内容,请参阅链接中的英语原文或自行翻译。

  • 请注意,本文内容源自机器翻译,可能存在语法或其它翻译错误,仅供参考。如需获取准确内容,请参阅链接中的英语原文或自行翻译。

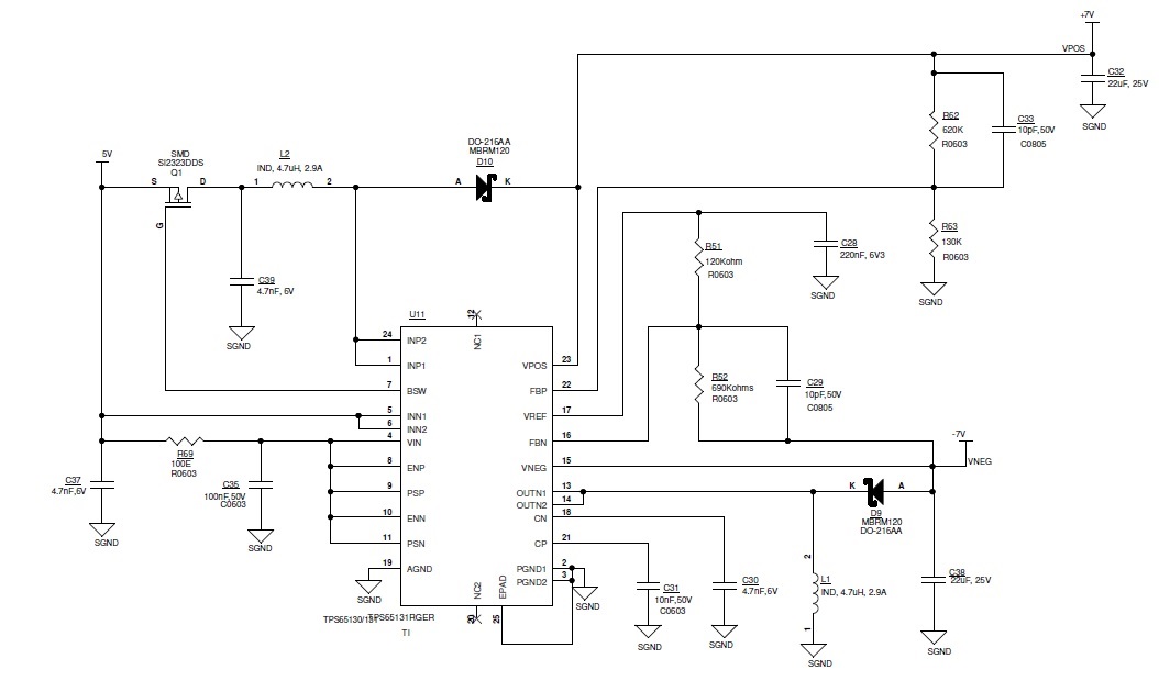
    您好!

    请找到我们使用的原理图。

    感谢您的回答。

    此致、

    印第拉

  • 请注意,本文内容源自机器翻译,可能存在语法或其它翻译错误,仅供参考。如需获取准确内容,请参阅链接中的英语原文或自行翻译。

    您好 Indira、

    我已经查看过它、您的原理图看起来不错。 我们已经看到、在一些嘈杂的客户设计中、有过多的噪声通过前馈电容器 C29耦合到 FBN 引脚。 您能否添加一个与 C29串联的49K 电阻器(即将其插入 C29和-7V 网络之间)以查看这是否会改善行为? 如果由于噪声耦合到 FBN 引脚而导致负电源电压错误、这应该可以解决问题。

    此致、

    辽卡特