This thread has been locked.

If you have a related question, please click the "Ask a related question" button in the top right corner. The newly created question will be automatically linked to this question.

[参考译文] UCC27211:Ucc27211

Guru**** 2504795 points
Other Parts Discussed in Thread: UCC27211, UCC27282

请注意,本文内容源自机器翻译,可能存在语法或其它翻译错误,仅供参考。如需获取准确内容,请参阅链接中的英语原文或自行翻译。

https://e2e.ti.com/support/power-management-group/power-management/f/power-management-forum/958696/ucc27211-ucc27211

器件型号:UCC27211
主题中讨论的其他器件: UCC27282

你好。

我将为我的项目使用 UCC27211栅极驱动器。  

 项目描述 : DCDC 降压转换器,PWM 占空比50 ~ 90%,  频率 40kHz  

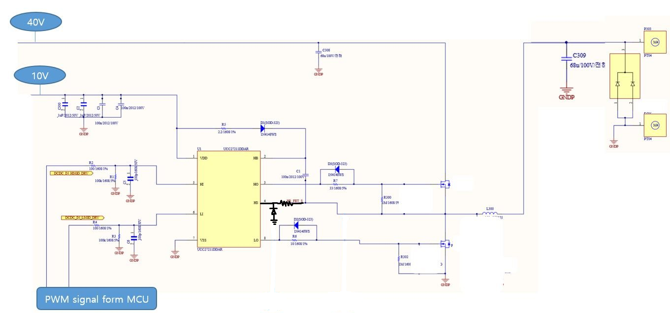
 我需要知道如何在下面的 sch 中保护 HS 引脚。  

 您能告诉我哪一个更适合使用电阻器吗?  [A 或 B]  以及您通常使用多少欧姆的电阻?

  • 请注意,本文内容源自机器翻译,可能存在语法或其它翻译错误,仅供参考。如需获取准确内容,请参阅链接中的英语原文或自行翻译。

    您能看到下面的图片吗?

  • 请注意,本文内容源自机器翻译,可能存在语法或其它翻译错误,仅供参考。如需获取准确内容,请参阅链接中的英语原文或自行翻译。

    您好、Do Seoung、

    我很乐意回答您的问题、但最后一条消息中未显示原理图图片。 您可以尝试在下一条消息中插入文件或图片。

    此致、

  • 请注意,本文内容源自机器翻译,可能存在语法或其它翻译错误,仅供参考。如需获取准确内容,请参阅链接中的英语原文或自行翻译。

    您好 Richard Herring  

    这是我的原理图。  上载时出现问题。  

  • 请注意,本文内容源自机器翻译,可能存在语法或其它翻译错误,仅供参考。如需获取准确内容,请参阅链接中的英语原文或自行翻译。

    您好、 我是 Seoung、

    感谢您的深入了解、感谢您提供原理图!

    您需要将电阻器放置在位置 A、以便自举电容器仍然直接以开关节点为基准。  这是为了确保高侧 FET 上有足够的 V_GS。

    您可以从开始的电阻值可以类似于您的栅极电阻器、大约为10欧姆。  此外、请注意、当您在 HS 引脚上添加电阻器时、高侧 FET 的关断路径上的电阻会增加(因此会增加关断时间)、但在 HO 栅极上使用关断二极管会有所帮助。

    需要考虑的另一点是(如果您的开关节点上有较大的负电压尖峰)、将一个钳位二极管与电阻器一起从 HS 引脚连接到 GND (如下所示)。

    我希望这对您的问题有所帮助和解答!  如果是、请按绿色按钮、否则请随时跟进!

    谢谢、

    Aaron Grgurich

  • 请注意,本文内容源自机器翻译,可能存在语法或其它翻译错误,仅供参考。如需获取准确内容,请参阅链接中的英语原文或自行翻译。

    您好 、Aaron Grgurich  

    感谢您的支持。 但我看不到您的图片。

    当我根据您的建议在电路中使用二极管和电阻器时,是否需要考虑输出侧负载容量和 FET 的开关时间?

    谢谢。  

  • 请注意,本文内容源自机器翻译,可能存在语法或其它翻译错误,仅供参考。如需获取准确内容,请参阅链接中的英语原文或自行翻译。

    您好、 我是 Seoung、

    很抱歉、我在上面修复了图像问题。

    无论附加组件是什么、您都应考虑输出负载、开关时间等因素、以了解系统对负载的反应及其效率。

    我希望这能回答您的问题;如果是、请按绿色按钮、否则请再次跟进!

    谢谢、

    Aaron Grgurich

  • 请注意,本文内容源自机器翻译,可能存在语法或其它翻译错误,仅供参考。如需获取准确内容,请参阅链接中的英语原文或自行翻译。

    你好  

    感谢您的热情支持。  

    我仍然有问题。
    因为当我将此器件用于我们的产品时、我希望尽可能减少问题。  

    因此、如果可能、我需要更详细的技术支持。  

    1. 需要更详细的技术原因来使用二极管和电阻器您推荐的位置。  

      因为数据表不包含此建议。

    2.在我的 sch 上推荐电阻器值频谱(电流 HS FET 电阻器值为33欧姆)  

    如果 我切换到 UCC27282、我的电路中是否有任何部件需要更改? (包括您建议的二极管和电阻器。)

    谢谢  

  • 请注意,本文内容源自机器翻译,可能存在语法或其它翻译错误,仅供参考。如需获取准确内容,请参阅链接中的英语原文或自行翻译。

    您好、 我是 Seoung、

    不用客气!

     

    关于您的问题:

    1) 1) 我仅建议使用电阻器或电阻器-二极管组合、前提是您的开关节点上有较大的负电压尖峰、从而损坏器件。  否则、假设您的电路处于  UCC27211数据表第7.3节中的建议运行条件内、则无需额外的电路。  因此、如果您的开关节点电压保持在以下规格范围内、则不建议使用额外的电路。

    技术原因是开关节点(HS 引脚)上过大的负电压尖峰会损坏器件。  HS 引脚上的电阻器允许在其上施加一定的电压、因此在引脚上可以看到更低的电压;但这是以限制关断环路中的电流为代价的。  当开关节点降至~-0.5V (二极管压降)以下时、该二极管通过将 HS 引脚短接至接地来工作。  二极管中仍包含电阻器、以限制流入二极管的浪涌电流、因此不会烧毁。

     

    2) 很抱歉、我不理解您在这里询问的内容...  如果您询问要使用的栅极电阻器值、请记住、栅极电阻器值会影响 FET 导通速度、功率损耗等 如果栅极电阻器过大、FET 的导通速度无法足够快、这将影响开关频率范围。  我认为一个好的起点是介于0-10欧姆之间、具体取决于 FET 的栅极电荷(因为这将决定打开和关闭 FET 所需的电荷量)。  如果能够、对您的系统进行台式测试将是一个良好的开端。

    3) 是的、对于您当前的原理图、我忽略了您拥有的外部自举二极管。    两个器件(UCC27211和 UCC27282)都不需要外部自举二极管、因为它们都具有内部自举二极管(请参阅各自的数据表)。

    此外、如果您改为使用 UCC27282、则必须考虑使能引脚的额外特性、此特性必须被拉高以启用驱动器(同样、数据表中也指定了此特性)。

    最后、我要再次说明的是、如果系统不会出现负电压尖峰的异常电平、则 HS 引脚不需要添加保护电路的复杂过程(这些尖峰的持续时间和大小规格再次说明、 由数据表指定。)

    希望这能解答您的问题!  如果是、请按绿色按钮。


    谢谢、

    Aaron Grgurich