This thread has been locked.

If you have a related question, please click the "Ask a related question" button in the top right corner. The newly created question will be automatically linked to this question.

[参考译文] BQ77915:我堆叠了三个器件、但很难理解中间器件的连接方式

Guru**** 2558250 points


请注意,本文内容源自机器翻译,可能存在语法或其它翻译错误,仅供参考。如需获取准确内容,请参阅链接中的英语原文或自行翻译。

https://e2e.ti.com/support/power-management-group/power-management/f/power-management-forum/949093/bq77915-i-have-stacked-three-devices-little-confused-with-how-middle-device-is-connected

器件型号:BQ77915

您好!

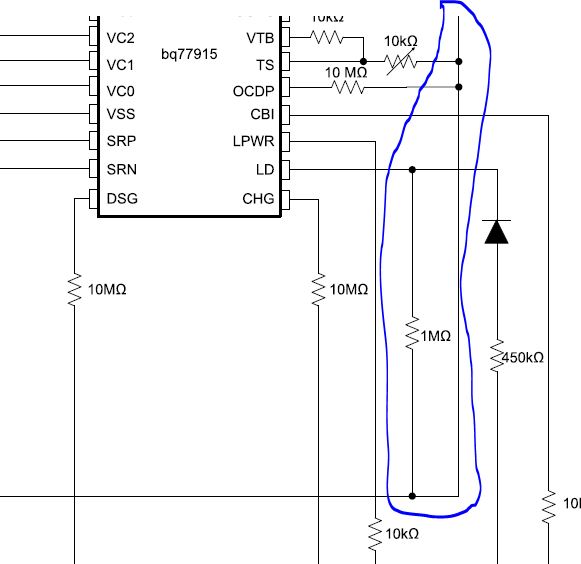
已经介绍了堆栈实现应用报告 SLUA906 - 2020年1月。 我已经注意到顶部器件和中间器件之间的以下差异、这真的是正确的吗? 对于顶部器件,LD 引脚和 VSS 之间连接1兆欧电阻器,对于底部器件,1兆欧电阻器在和10K、10M 通过 LD 引脚连接。 2.如果正确,在堆叠4台设备时,是否可以使用相同的中间设备配置?

  • 请注意,本文内容源自机器翻译,可能存在语法或其它翻译错误,仅供参考。如需获取准确内容,请参阅链接中的英语原文或自行翻译。

    您好!

    您应该对两个设备使用第2张图片中列出的配置。 我将记下顶部图像的正确位置。

  • 请注意,本文内容源自机器翻译,可能存在语法或其它翻译错误,仅供参考。如需获取准确内容,请参阅链接中的英语原文或自行翻译。

    谢谢 Shawn、

    请再来一个问题。 在我的设计中、DSG MOSFET 更靠近器件、但正如您在下图中看到的、CHG MOSFET 略远  

    1.这是可以的吗?

    2.我应该将 CHG 电阻器放置在靠近 MOSFET 或器件的位置吗?

  • 请注意,本文内容源自机器翻译,可能存在语法或其它翻译错误,仅供参考。如需获取准确内容,请参阅链接中的英语原文或自行翻译。

    您好!  

    距离应该可以。 FET 电阻器应靠近 FET、以帮助隔离 FET 栅极。

    此致、

    Matt