尊敬的 Sirs:
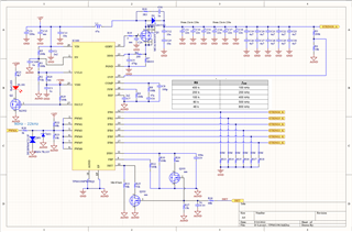
我设计了一个实现一个 TPS61196器件的电路板。 然而、该设计已经证明不可靠、因为迄今为止、我们已在销售的大约40块电路板中收到15块故障电路板。 问题似乎始终相同:连接到 MOSFET 栅极的引脚不再输出任何信号。 警报 LED 亮起、因此很明显芯片的某些部分仍然工作、但 MOSFET 保持关闭。 更换 TPS61196后、电路板恢复正常运行、因此未损坏任何其他组件。
我正在连接原理图;该电路板包含180个 LED、分为6个灯串、每个灯串30个 LED。 电流= 85mA/灯串。 我们应该在一定的范围内。
所有破裂芯片上的大号显示为:
TPS61196Q
O2T
AY17
您能不能给我一个暗示芯片显然无法解释的销毁?
谢谢、此致
Paolo
。 