This thread has been locked.

If you have a related question, please click the "Ask a related question" button in the top right corner. The newly created question will be automatically linked to this question.

[参考译文] TPS53515:TPS53515 WEBENCH 稳定性

Guru**** 2502205 points
Other Parts Discussed in Thread: TPS53515

请注意,本文内容源自机器翻译,可能存在语法或其它翻译错误,仅供参考。如需获取准确内容,请参阅链接中的英语原文或自行翻译。

https://e2e.ti.com/support/power-management-group/power-management/f/power-management-forum/937638/tps53515-tps53515-webench-stability

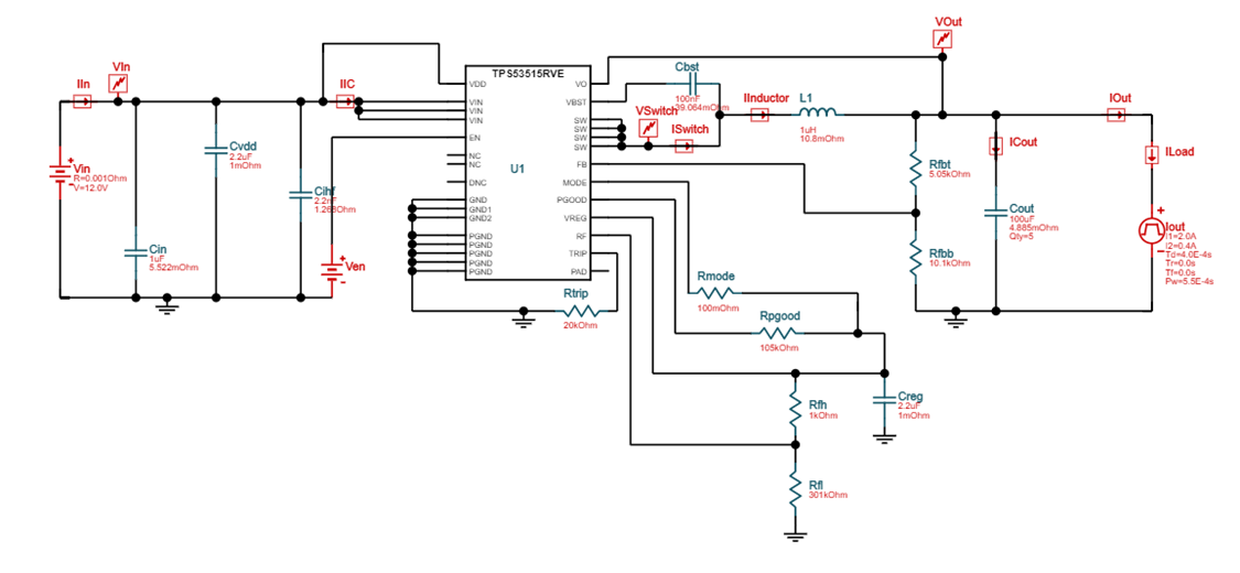
器件型号:TPS53515

各位专家:

我的客户必须减少电感器并显著增加电容值、以满足 WEBENCH 上0.4A-2A 电流在8A/us 时过冲/下冲<=5mV 的快速瞬态要求。 这些无源值是否仍然能够实现稳定性? 我在 WEBENCH 上找不到该器件的环路分析功能。  

请提供任何指导。

谢谢、

康妮  

  • 请注意,本文内容源自机器翻译,可能存在语法或其它翻译错误,仅供参考。如需获取准确内容,请参阅链接中的英语原文或自行翻译。

    看起来图片没有显示。

    见附件。

    谢谢、

    康妮  

  • 请注意,本文内容源自机器翻译,可能存在语法或其它翻译错误,仅供参考。如需获取准确内容,请参阅链接中的英语原文或自行翻译。

    你好康妮

      TPS53515是 DCAP3、目前还没有适用于该架构的闭环波特图模型。 您可以通过执行瞬态响应并确保振铃、稳定时间等在范围内并将其用作稳定性检查点来获得某种稳定性。

    此致、

    Gerold

  • 请注意,本文内容源自机器翻译,可能存在语法或其它翻译错误,仅供参考。如需获取准确内容,请参阅链接中的英语原文或自行翻译。

    Gerold、您好!

    WEBENCH 上的瞬态响应看起来不错、没有振铃。  

    但是、FP 接近7kHz、开关频率为1MHz。 它不接近于高频零点。 这是可以的吗? 或者唯一的方法是使用波特图测试器件?

    谢谢、

    康妮  

  • 请注意,本文内容源自机器翻译,可能存在语法或其它翻译错误,仅供参考。如需获取准确内容,请参阅链接中的英语原文或自行翻译。

  • 请注意,本文内容源自机器翻译,可能存在语法或其它翻译错误,仅供参考。如需获取准确内容,请参阅链接中的英语原文或自行翻译。

    你(们)好

      零点有助于消除 LC 双极中的其中一个极点。 因此、7kHz LC 双倍频和12kHz 零点看起来非常接近、尽管我更希望使零点低于 LC 双倍频。 此外、在计算 LC 双极点时、还包括最坏情况下的容差。 如果极点移动得非常近、那么我建议使用较低的 L 来移出 LC 双极点。

    此致、

    Gerold

  • 请注意,本文内容源自机器翻译,可能存在语法或其它翻译错误,仅供参考。如需获取准确内容,请参阅链接中的英语原文或自行翻译。

    谢谢你 Gerold!