This thread has been locked.

If you have a related question, please click the "Ask a related question" button in the top right corner. The newly created question will be automatically linked to this question.

[参考译文] TPS560430:由于 TPS560430X3F 的高功耗问题、我想使用 LMR14006X 而不是 TPS560430X3F。

Guru**** 2387830 points
Other Parts Discussed in Thread: LMR14006
请注意,本文内容源自机器翻译,可能存在语法或其它翻译错误,仅供参考。如需获取准确内容,请参阅链接中的英语原文或自行翻译。

https://e2e.ti.com/support/power-management-group/power-management/f/power-management-forum/765745/tps560430-due-to-high-power-consumption-issue-of-tps560430x3f-i-want-to-use-lmr14006x-instead-of-tps560430x3f

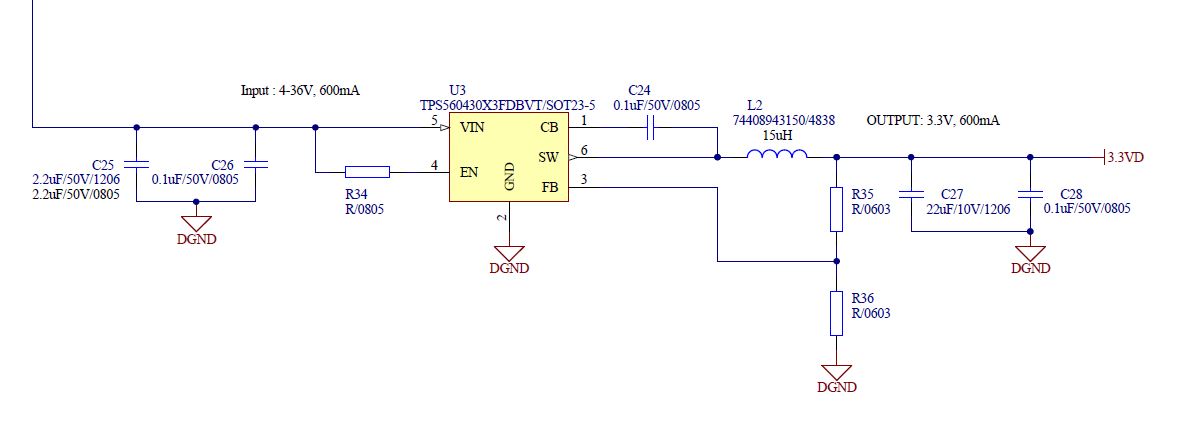
器件型号:TPS560430
主题中讨论的其他器件:LMR14006

TPS560430X3F 在无任何负载的情况下消耗5mA 电流。

那么、我是否可以使用  LMR14006X 而不是 TPS560430X3F

以下电路需要进行哪些更改?  

输入- 6V 至24V

输出- 3.3V 600mA

  • 请注意,本文内容源自机器翻译,可能存在语法或其它翻译错误,仅供参考。如需获取准确内容,请参阅链接中的英语原文或自行翻译。
    您好:Bhagyesh、

    LMR14006是一款非同步降压转换器、在 SW 和 GND 之间需要使用外部二极管。 REF 电压不同、因此需要相应地更改反馈电阻器。
    我建议您使用 TPS560430XDBVR、它在轻负载时进行脉冲频率调制、因此效率很高。
  • 请注意,本文内容源自机器翻译,可能存在语法或其它翻译错误,仅供参考。如需获取准确内容,请参阅链接中的英语原文或自行翻译。

    上述电路是否正确为 LMR14006?

  • 请注意,本文内容源自机器翻译,可能存在语法或其它翻译错误,仅供参考。如需获取准确内容,请参阅链接中的英语原文或自行翻译。
    您好:Bhagyesh、
    需要将"SHDN"引脚连接到 Vin、与 TPS560430X3F 相同
    Cboot 可与 TPS560430X3F 相同、使用0.1uF 陶瓷电容
    COUT 可以与 TPS560430X3F 相同、使用22uF/10V/1206陶瓷电容
  • 请注意,本文内容源自机器翻译,可能存在语法或其它翻译错误,仅供参考。如需获取准确内容,请参阅链接中的英语原文或自行翻译。
    好的、谢谢您、

    反馈电阻器、电感器和二极管怎么样?
  • 请注意,本文内容源自机器翻译,可能存在语法或其它翻译错误,仅供参考。如需获取准确内容,请参阅链接中的英语原文或自行翻译。

    没关系。 您可以使用原理图值。