This thread has been locked.

If you have a related question, please click the "Ask a related question" button in the top right corner. The newly created question will be automatically linked to this question.

[参考译文] TPS40322:电流平衡问题

Guru**** 2510995 points
Other Parts Discussed in Thread: TPS40322

请注意,本文内容源自机器翻译,可能存在语法或其它翻译错误,仅供参考。如需获取准确内容,请参阅链接中的英语原文或自行翻译。

https://e2e.ti.com/support/power-management-group/power-management/f/power-management-forum/838297/tps40322-current-balanceing-issue

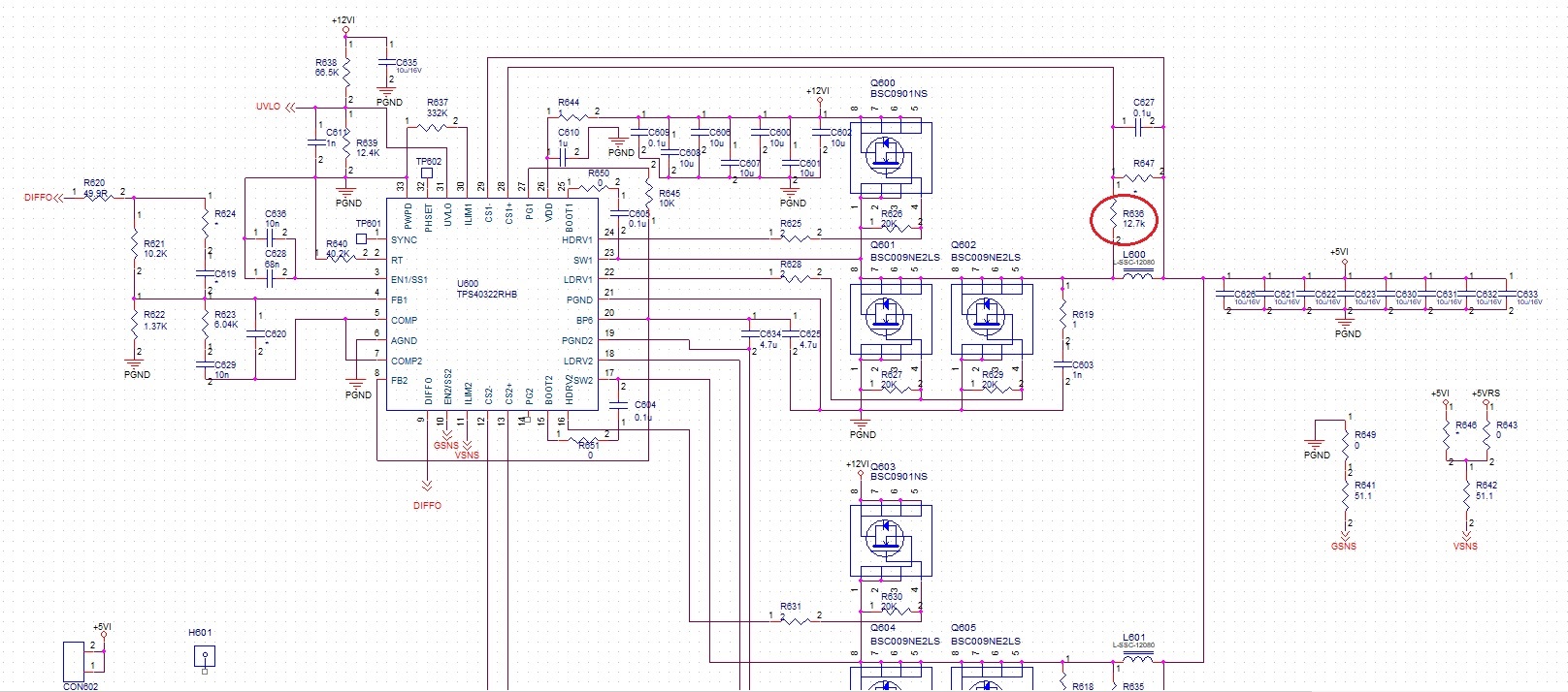
器件型号:TPS40322

各位专家:

很抱歉选择 了错误的器件型号、正确的器件型号是 TPS40322!  

 我们在启动时遇到了两个相位不平衡 Isse、 其中一个相 位会因 不平衡现象而受损

一个将运行升压、另一个将运行降压 、请参阅下图 。

请给我们一些建议,谢谢。

  

  • 请注意,本文内容源自机器翻译,可能存在语法或其它翻译错误,仅供参考。如需获取准确内容,请参阅链接中的英语原文或自行翻译。

    您好 Steven、

    请分享原理图和 PCB 布局 以更好地了解问题。 如果 数据 是机密信息、您可以共享您的电子邮件地址、以便我可以直接与您联系。

    此致、

    Excel

  • 请注意,本文内容源自机器翻译,可能存在语法或其它翻译错误,仅供参考。如需获取准确内容,请参阅链接中的英语原文或自行翻译。

    您好 Steven、

    只是一个软提醒。 请分享原理图和 PCB 布局、以帮助您更好地解决问题。 如果您共享您的电子邮件地址、我可以与您个人联系。

    此致、

    Excel

  • 请注意,本文内容源自机器翻译,可能存在语法或其它翻译错误,仅供参考。如需获取准确内容,请参阅链接中的英语原文或自行翻译。

    您好、Excel、

    请看一下、谢谢。

  • 请注意,本文内容源自机器翻译,可能存在语法或其它翻译错误,仅供参考。如需获取准确内容,请参阅链接中的英语原文或自行翻译。

    您好 Steven、  

     我在原理图上注意到的唯一问题是补偿。 TPS40322是一款电压模式控制器、需要 III 类补偿。  

    我不确定电流不平衡是否与不稳定环路相关。  

    您能否填充 R624、C619和 C620、并检查问题是否已解决?

    谢谢

  • 请注意,本文内容源自机器翻译,可能存在语法或其它翻译错误,仅供参考。如需获取准确内容,请参阅链接中的英语原文或自行翻译。

    您好、钱

    感谢您的建议,这对我们很有帮助。

    它是服务器面板应用、2个并行服务器电源作为输入、我们发现12V 输入上升时间会影响 TPS40322正常上电或不会影响正常上电。

    较慢的上升时间是可以的、反之亦然。

    您能告诉我们造成这种现象的原因是什么,谢谢。

    TPS40322上电正常。

    TPS40322上电故障  

  • 请注意,本文内容源自机器翻译,可能存在语法或其它翻译错误,仅供参考。如需获取准确内容,请参阅链接中的英语原文或自行翻译。

    脱机支持此问题。  

    该员额将关闭。  

    谢谢