This thread has been locked.

If you have a related question, please click the "Ask a related question" button in the top right corner. The newly created question will be automatically linked to this question.

[参考译文] BQ77915:休眠模式问题

Guru**** 2558250 points
Other Parts Discussed in Thread: BQ77915

请注意,本文内容源自机器翻译,可能存在语法或其它翻译错误,仅供参考。如需获取准确内容,请参阅链接中的英语原文或自行翻译。

https://e2e.ti.com/support/power-management-group/power-management/f/power-management-forum/838446/bq77915-hibernation-mode-issue

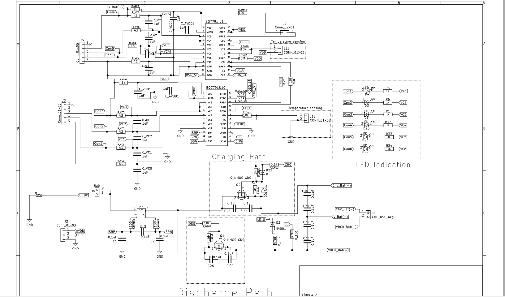
器件型号:BQ77915

我已经针对使用 Bq77915的6节电池进行了设计。 我将使用电阻分压器进行测试。

测试1:(正常模式)

对于上部 IC、我通过10K 电阻器将 PRES 连接到 VDD。 将电压增加至24.2、以检查是否关断 CHG MOSFET。 但 CHG MOSFET 会持续导通和关断、直到24.1V、最后关断

将电压降低至17V、以检查 DSG MOSFET 是否转动。 DSG MOSFET 关闭而不会出现任何问题。

测试2 (休眠模式)

我一直打开上部 IC 的 PRES 引脚。 现在、它处于休眠模式。

现在、一旦电压达到23.2V DSG MOSFET 导通且 CHG MOSFET 持续导通和关断、电压便会缓慢增大。

您能解释一下为什么会发生这种情况,使用电池进行测试是否合适?

  • 请注意,本文内容源自机器翻译,可能存在语法或其它翻译错误,仅供参考。如需获取准确内容,请参阅链接中的英语原文或自行翻译。

    您好、Manoj、

    在休眠模式下、两个 FET 都应关闭。 正常模式下 FET 的状态取决于电池电压选项。您能否向我发送原理图以便我查看?

  • 请注意,本文内容源自机器翻译,可能存在语法或其它翻译错误,仅供参考。如需获取准确内容,请参阅链接中的英语原文或自行翻译。

    您好、Shawn、

    我随函附上了原理图、请仔细研究、并尽早解决问题。

  • 请注意,本文内容源自机器翻译,可能存在语法或其它翻译错误,仅供参考。如需获取准确内容,请参阅链接中的英语原文或自行翻译。

    您好、Manoj、

    我已经查看了您的原理图并提供了一些反馈。

    1. 将上部器件的 DSG 和 CHG 引脚连接到下部器件的 CTRD 和 CTRC 引脚的电阻器应为10Mohm。
    2. 确保上部器件的 LD 引脚通过一个10Mohm 电阻器连接到上部器件的本地接地。 这是数据表图19中的 R2。
    3. Rdsg2 (数据表中的 RDSG)应为4.5k Ω。
    4. Rchg2 (数据表中的 RCHG)应为1k Ω。
    5. 最好在下部器件的 CBI 引脚上添加一个10kOhm 下拉电阻器。  

    您可以使用 BQ77915数据表中的图19作为2个器件堆叠的参考。 确保再次仔细检查原理图、查看我们是否遗漏了任何内容。  

  • 请注意,本文内容源自机器翻译,可能存在语法或其它翻译错误,仅供参考。如需获取准确内容,请参阅链接中的英语原文或自行翻译。

    你(们)好,Shwan  

    即使在进行了您提到的更改后、也是相同的结果。

    一旦电压达到23.3V、MOSFET 会在休眠模式下持续导通和关断。

  • 请注意,本文内容源自机器翻译,可能存在语法或其它翻译错误,仅供参考。如需获取准确内容,请参阅链接中的英语原文或自行翻译。

    你(们)好、Shawn

     是否可以知道控制 MOSFET 的 IC 的内部电路  

  • 请注意,本文内容源自机器翻译,可能存在语法或其它翻译错误,仅供参考。如需获取准确内容,请参阅链接中的英语原文或自行翻译。

    您好、Manoj、

    当器件处于休眠模式时、两个 FET 都应关断。 可能会出现导致器件退出休眠模式的情况。 电路中可能会出现一些泄漏、从而导致这种情况、甚至引脚上会出现一些额外的磁通。 当您认为 PRES 引脚处于休眠模式时、请仔细检查该引脚的值、并确保该引脚真正悬空且不会被拉高。