This thread has been locked.

If you have a related question, please click the "Ask a related question" button in the top right corner. The newly created question will be automatically linked to this question.

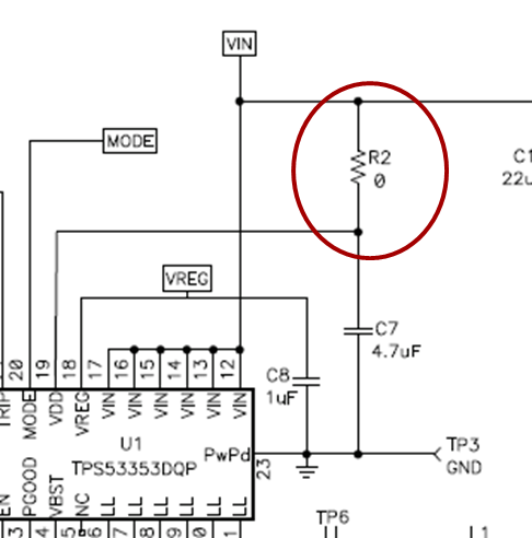
[参考译文] TPS53353:TPS53353 VDD 的 RC 滤波器

Guru**** 2510095 points


请注意,本文内容源自机器翻译,可能存在语法或其它翻译错误,仅供参考。如需获取准确内容,请参阅链接中的英语原文或自行翻译。

https://e2e.ti.com/support/power-management-group/power-management/f/power-management-forum/793318/tps53353-rc-filter-for-vdd-of-tps53353

器件型号:TPS53353

你(们)好  

客户希望将电阻器 R2增加到15欧姆、如果没有功耗问题、是否可以接受?

是否存在任何未知风险?

谢谢。

Oliver OU

  • 请注意,本文内容源自机器翻译,可能存在语法或其它翻译错误,仅供参考。如需获取准确内容,请参阅链接中的英语原文或自行翻译。
    Oliver、

    我没有看到任何使用0欧姆以上或直接连接的设计。 它们为什么要使用15欧姆?
  • 请注意,本文内容源自机器翻译,可能存在语法或其它翻译错误,仅供参考。如需获取准确内容,请参阅链接中的英语原文或自行翻译。

    尊敬的 John:

    客户认为较大的 R 越有利于抗噪。  

    我建议他采用0欧姆或1~2欧姆,但他想知道为什么不建议使用15欧姆。

    谢谢、

    Oliver OU

  • 请注意,本文内容源自机器翻译,可能存在语法或其它翻译错误,仅供参考。如需获取准确内容,请参阅链接中的英语原文或自行翻译。
    Oliver、

    我只见过0欧姆或直接连接(无电阻器、只需蚀刻)的设计。 我怀疑是否有任何数据支持或反驳这种情况。 我会询问。
  • 请注意,本文内容源自机器翻译,可能存在语法或其它翻译错误,仅供参考。如需获取准确内容,请参阅链接中的英语原文或自行翻译。
    Oliver、

    我个人认为15欧姆似乎太高了。 另一位同事认为还可以。 但我们没有关于它的任何数据。 其设计的最小 VIN 是多少? 此外、它还取决于应用。 RC 的目的是滤除来自 VDD 输入的循环输入环路的输入电压纹波。 纹波量取决于应用和布局。
  • 请注意,本文内容源自机器翻译,可能存在语法或其它翻译错误,仅供参考。如需获取准确内容,请参阅链接中的英语原文或自行翻译。

    尊敬的 John:

    输入电压经过调节、 范围应为12V+/-10%。  该15欧姆电阻器上没有压降问题。  

    谢谢。

  • 请注意,本文内容源自机器翻译,可能存在语法或其它翻译错误,仅供参考。如需获取准确内容,请参阅链接中的英语原文或自行翻译。
    Oliver、

    好的、那么您可以继续。