This thread has been locked.

If you have a related question, please click the "Ask a related question" button in the top right corner. The newly created question will be automatically linked to this question.

[参考译文] UC1845A-EP:引脚3上的感测电压超过1V

Guru**** 2771175 points

Other Parts Discussed in Thread: UC1845A-EP

请注意,本文内容源自机器翻译,可能存在语法或其它翻译错误,仅供参考。如需获取准确内容,请参阅链接中的英语原文或自行翻译。

https://e2e.ti.com/support/power-management-group/power-management/f/power-management-forum/834016/uc1845a-ep-sense-voltage-on-pin3-exceed-1v

器件型号:UC1845A-EP

大家好、  

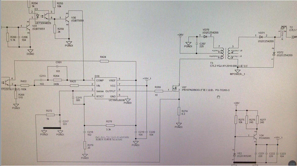
客户正在使用 UC1845A-EP、发现在引脚3上检测电压会超过1V、但电流限制功能不起作用的问题。 原理图如下所示。

有两个环路与 VFB 连接、逻辑如下所示。 问题发生在负载从空载切换到电感负载时、控制环路将从电压环路切换到电流环路、 电感器电流将达到极高、并使变压器饱和。

那么、我这里的问题是、为什么 Isense 电流限制功能在电压环路转换 到电流环路期间失败? 谢谢。

此致、

张文森

  • 请注意,本文内容源自机器翻译,可能存在语法或其它翻译错误,仅供参考。如需获取准确内容,请参阅链接中的英语原文或自行翻译。

    您好、Vincent、

    最后一幅图片是否是输出的准确表示?

    在 FB 引脚上看起来很奇怪。

    另外、为什么 Rt/CT 与 Isense 之间有一个电容器?

    我想这会给 Isense 引脚带来相当多的误差。

    谢谢、

    Daniel

  • 请注意,本文内容源自机器翻译,可能存在语法或其它翻译错误,仅供参考。如需获取准确内容,请参阅链接中的英语原文或自行翻译。

    Daniel、您好!

    感谢您的回答。 最后一张图片是输入电流和 Isense 引脚电压、而不是输出电压。

    我将尝试移除电容器、以查看是否有任何改进。 谢谢。

    此致、

    张文森

  • 请注意,本文内容源自机器翻译,可能存在语法或其它翻译错误,仅供参考。如需获取准确内容,请参阅链接中的英语原文或自行翻译。

    您好、Vincent、

    我知道它是 Isense 引脚电压、而不是输出电压、但是 Isense 上的电压应该跟踪输出电压。

    这是器件正确调节输出的唯一方法。

    谢谢、

    Daniel

  • 请注意,本文内容源自机器翻译,可能存在语法或其它翻译错误,仅供参考。如需获取准确内容,请参阅链接中的英语原文或自行翻译。

    您好、Vincent、

    这是否解决了问题?

  • 请注意,本文内容源自机器翻译,可能存在语法或其它翻译错误,仅供参考。如需获取准确内容,请参阅链接中的英语原文或自行翻译。

    是的、感谢您的帮助。

    张文森