Other Parts Discussed in Thread: LM5036
您好!
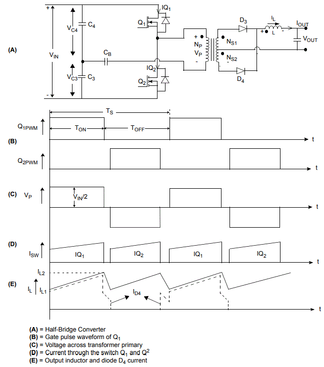
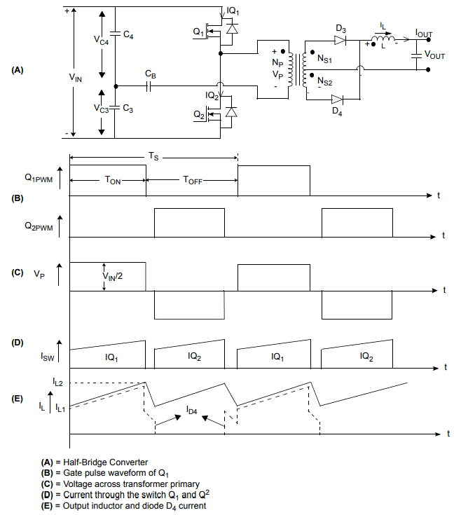
我正在使用 LM5036设计480W 半桥直流/直流转换器。 我的输入电压范围是122-90VDC 之间的电池组。 输出将为12VDC、满负载效率为93%以上(正是我尝试实现的)。 这是我的第一个较大的直流/直流转换器设计 fyi。
查看第42页的数据表(www.ti.com/.../lm5036.pdf 我希望有人能帮助我了解 在初级 FET 之前电容分压器和电阻分压器的输入电容器选择。 从我的读数中可以看到、电阻分压器是两倍的、由于电阻器的容差主要优于电容器、因此可以使中点电压保持更精确、并且它还有助于控制电容器的放电。 我希望您能以数学方式展示如何选择这些值?
谢谢、
将会
