This thread has been locked.

If you have a related question, please click the "Ask a related question" button in the top right corner. The newly created question will be automatically linked to this question.

[参考译文] TPS546C20A:设计评论

Guru**** 2652575 points

Other Parts Discussed in Thread: TPS546C20A

请注意,本文内容源自机器翻译,可能存在语法或其它翻译错误,仅供参考。如需获取准确内容,请参阅链接中的英语原文或自行翻译。

https://e2e.ti.com/support/power-management-group/power-management/f/power-management-forum/851360/tps546c20a-design-review

器件型号:TPS546C20A

您好,

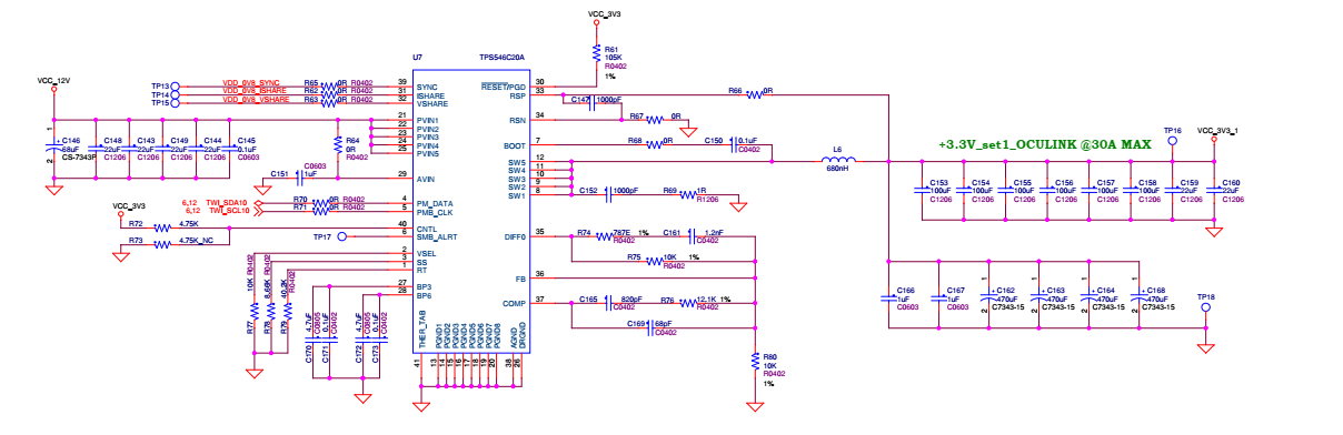
我已经为 TPS546C20A 提供了2种不同电压的原理图、需要帮助查看原理图。  

稳压器   设计 效率
TPS546C20A 0.84V @ 35A 83.49%
TPS546C20A 3.3V @ 30A 94.58%

 的原理图如下所示:

0.84V:

3.3V:

如果设计中有任何问题、请告诉我。 或者、如果需要查看任何内容。  

此致、

Ranjana

  • 请注意,本文内容源自机器翻译,可能存在语法或其它翻译错误,仅供参考。如需获取准确内容,请参阅链接中的英语原文或自行翻译。

    尊敬的 Ranjana:

      您能否分享这两种应用的 WEBENCH 设计?

    此外、您能否向我们提供以下信息。

    1.直流电压容差(%或 mV)

    2.输出纹波要求 (%或 mV)

    3.输出瞬态(下冲、过冲)要求 (%或 mV)

    4.瞬态负载阶跃大小以满足瞬态 (%或 mV)要求

    5.最高工作环境温度。

    此致、

    Gerold

  • 请注意,本文内容源自机器翻译,可能存在语法或其它翻译错误,仅供参考。如需获取准确内容,请参阅链接中的英语原文或自行翻译。

    Gerold、您好!

    请查找适用于这两种应用的 Webench 设计。

    请找到上面的链接。

    此致、

    Ranjana

  • 请注意,本文内容源自机器翻译,可能存在语法或其它翻译错误,仅供参考。如需获取准确内容,请参阅链接中的英语原文或自行翻译。

    Gerold、您好!

    以下是数据:

    1.直流电压容差(%或 mV):12V,容差为+/-5%

    2.输出纹波要求 (%或 mV):小于50mV

    5.最高工作环境温度:实验室环境;最高30°C

    采用 webench 设计、可实现最高效率。  

    此致、

    Ranjana

  • 请注意,本文内容源自机器翻译,可能存在语法或其它翻译错误,仅供参考。如需获取准确内容,请参阅链接中的英语原文或自行翻译。

    尊敬的 Ranjana:

      我注意到一个基本问题。 WEBENCH 设计假设您使用 PMBus 配置器件。

    对于0.84V 输出、使用22.6K 下拉至接地的 VSEL 引脚可提供0.85V 的输出电压。 这比您的0.84V 目标值高10mV。 请检查您是否对此满意。 否则、您必须在输出端使用适当的反馈分压器网络、并使用 VSEL 选择较低的基准电压。

    对于3.3V 输出、根据数据表、使用10k 拉至接地的 VSEL 不是有效选项。 WEBENCH 将其拉至 BP3、这意味着使用 PMBus 通过 VOUT_COMMAND 设置引导电压。

    此致、

    Gerold

  • 请注意,本文内容源自机器翻译,可能存在语法或其它翻译错误,仅供参考。如需获取准确内容,请参阅链接中的英语原文或自行翻译。

    你好,Ranjana

      您是否有机会了解这一点?

    此致、

    Gerold

  • 请注意,本文内容源自机器翻译,可能存在语法或其它翻译错误,仅供参考。如需获取准确内容,请参阅链接中的英语原文或自行翻译。

    Gerold、您好!

    在设计中、我们不会使用 PMBus 来配置器件。  

    对于0.84V 输出、SOC 芯片组需要0.84V 电压。 我们将选择较低的电阻值。 如果您对要使用的电阻器有任何建议、敬请告知我们。  

    对于3.3V 输出、由于我们不打算使用 PMBus、应如何终止 VSEL 以使器件正常工作并获得正确的输出电压。 请给出建议。

    此致、

    Ranjana Naik

  • 请注意,本文内容源自机器翻译,可能存在语法或其它翻译错误,仅供参考。如需获取准确内容,请参阅链接中的英语原文或自行翻译。

    尊敬的 Ranjana:

    您可以参阅数据表的表2、了解设置 VSEL 的电阻器。

    对于0.84V 输出电压、您可以使用0.8V VSEL 和14k 电阻器(1%)。  请使用0.8V 的 Vref 设计反馈分压器

    对于3.3V 输出电压、请使用1.1V VSEL 和 187k 电阻(1%)。 请使用1.1V 的 Vref 设计反馈分压器

    此致、

    Gerold