This thread has been locked.

If you have a related question, please click the "Ask a related question" button in the top right corner. The newly created question will be automatically linked to this question.

[参考译文] LM7705:电源电压

Guru**** 2392905 points
Other Parts Discussed in Thread: LM7705

请注意,本文内容源自机器翻译,可能存在语法或其它翻译错误,仅供参考。如需获取准确内容,请参阅链接中的英语原文或自行翻译。

https://e2e.ti.com/support/power-management-group/power-management/f/power-management-forum/781711/lm7705-supply-voltage

器件型号:LM7705

大家好、

我的客户正在考虑使用 LM7705 + OPAMP

您能回答以下问题吗?

是否可以为 LM7705的 VDD 和 OPAMP 的+V 应用单独的电源?

例如、对 LM7705的 VDD 施加+5V 电压、 对 OPAMP 的+13V 至+V 和-0.23V 至-V 电压。

此致、

山口

  • 请注意,本文内容源自机器翻译,可能存在语法或其它翻译错误,仅供参考。如需获取准确内容,请参阅链接中的英语原文或自行翻译。
    山口山口-圣、您好!

    LM7705旨在为放大器的负电源引脚提供-0.23V 的低纹波电压。 如果您的放大器额定处理此正电压电源、则您的客户不应存在任何特殊问题。

    非常感谢您与我们联系。

    此致、

    Dorian
  • 请注意,本文内容源自机器翻译,可能存在语法或其它翻译错误,仅供参考。如需获取准确内容,请参阅链接中的英语原文或自行翻译。

    Dorian-San、您好!

    我收到了客户的其他问题。 您能为以下问题提供帮助吗?

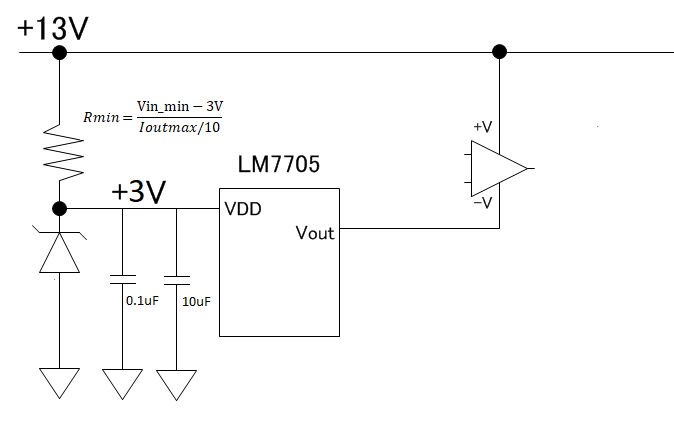
    1.客户正在考虑使用以下电路。 如果有任何问题、您可以告诉我吗?

    /cfs-file/__key/communityserver-discussions-components-files/196/LM7705.ppt

    2.客户希望了解 LM7705在有负载时的输入电流。 客户测量了运算放大器的电源电流(6个)、平均值为11.5mA。 因此、LM7705从 Vout 引脚吸收11.5mA (从该电流)。  

    以下输入电流计算是否正确?

    输出电压为-0.251V (最小值) x 11.5mA=2.9mW。  根据 d/s 中的图10、效率将超过95%、因此引脚将为2.9mW/0.95=3.1mW。

    IIN 为引脚/5V + Iq = 3.1mW/5V + Iq = 0.62mA + 240uA = 0.86mA。  

    此致、

    山口

  • 请注意,本文内容源自机器翻译,可能存在语法或其它翻译错误,仅供参考。如需获取准确内容,请参阅链接中的英语原文或自行翻译。

    山口山口-圣、您好!

    我会为您的系统推荐这种方法:

    VIN 为+13V、Iout/10、因为在该配置中、输入和输出之间的比率为10。

    仅将齐纳二极管用作保护。 输入电压超过5.25V 时提供保护。

    2. 回到您的示例,Iin 将是 :

    IIN=引脚/5V=3.1mW/5V=0.62mA

    这些信息是否足以满足您的客户需求?

    谢谢!

    此致、

    Dorian

  • 请注意,本文内容源自机器翻译,可能存在语法或其它翻译错误,仅供参考。如需获取准确内容,请参阅链接中的英语原文或自行翻译。
    山口山口-圣、您好!

    我没有听到您的反馈。
    您是否有任何后续问题?
    否则、我将假定我可以关闭这个线程。 如果没有,只需在下面发布回复即可。

    谢谢、

    Dorian
  • 请注意,本文内容源自机器翻译,可能存在语法或其它翻译错误,仅供参考。如需获取准确内容,请参阅链接中的英语原文或自行翻译。
    Dorian-San、您好!

    感谢您的支持。 此问题已解决。

    此致、
    山口