请注意,本文内容源自机器翻译,可能存在语法或其它翻译错误,仅供参考。如需获取准确内容,请参阅链接中的英语原文或自行翻译。
器件型号:TPS780 您好!
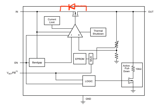
我对该部件的应用有疑问。 它用于开关1.8V 和2.8V、以便为低于30mA 的一些功耗相对较低的组件供电。 输入是电压范围为3V 至4.2V 的电池。 开关操作通过反馈网络中电阻器下方的 NFET 完成。
在两种用例中、当我们将固件编程到微控制器时、可以从外部源向 Vout 施加2.8V 电压。 LDO 通常为该微控制器供电。
1) Vin 悬空、只有 LDO 引脚上的电气连接为(Vout -体二极管压降)、 Vout 设置为:
1A) 1.8V (带反馈电阻器)
1b)" 2.8V
2) 2) Vin 连接到电池、Vout 设置为:
1A) 1.8V (带反馈电阻器)
2B)" 2.8 V
在上述任何情况下、从外部电源向输出施加2.8V 电压是否超出规格?
