请注意,本文内容源自机器翻译,可能存在语法或其它翻译错误,仅供参考。如需获取准确内容,请参阅链接中的英语原文或自行翻译。
器件型号:TPS51220AEVM-476 主题中讨论的其他器件: TPS51220A、 TPS51220EVM
大家好、
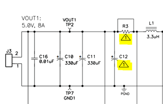
查看 用户指南中给出的 TPS51220AEVM-476原理图、 有几个电阻器和电容器不是尺寸的、实际上用三角形的符号标记。 三角形符号意味着什么? 注释是否与对的大小相关? 
以下是主题中的组件对:
R3和 C12
R4和 C13
R35和 C30
4. R32和 C7
R33和 C29
6. R36和 C31
7. R8和 R10
8. R11和 R18
9. R19和 R23
提前感谢!
此致、
Jejomar