This thread has been locked.

If you have a related question, please click the "Ask a related question" button in the top right corner. The newly created question will be automatically linked to this question.

[参考译文] DRV595的单端 ADC 输入和 IN-的偏置

Guru**** 2552120 points
Other Parts Discussed in Thread: DRV595

请注意,本文内容源自机器翻译,可能存在语法或其它翻译错误,仅供参考。如需获取准确内容,请参阅链接中的英语原文或自行翻译。

https://e2e.ti.com/support/power-management-group/power-management/f/power-management-forum/817617/single-ended-adc-input-to-drv595-and-bias-to-in-

器件型号:DRV595

我将了解如何将 DRV595用于颗粒应用。  如果我理解数据表、我可以在 IN+输入端使用 DAC 的单端输出(0-2.7V)、并将 IN-输出偏置到大约1.4V。  

这是否意味着 ADC 断电(高阻抗 DAC 输出) 考虑到 IN-和 IN+引脚之间的1.4V 差异、DRV595将产生输出、或者 DRV595的输入级在 IN-和 IN+引脚之间具有较大的内部电阻、从而确保在这种情况下输出也为零?

  • 请注意,本文内容源自机器翻译,可能存在语法或其它翻译错误,仅供参考。如需获取准确内容,请参阅链接中的英语原文或自行翻译。

    您好!

     它看起来 IN+/IN-都偏置在3V、您在哪里可以获得此1.4V 的信息?

    此致

    Linda

  • 请注意,本文内容源自机器翻译,可能存在语法或其它翻译错误,仅供参考。如需获取准确内容,请参阅链接中的英语原文或自行翻译。

    尊敬的 Chris:

    IN+和 IN-内部偏置为 3V、存在共模电压。 因此内部比较器没有输出。

    此致、

    Derek

  • 请注意,本文内容源自机器翻译,可能存在语法或其它翻译错误,仅供参考。如需获取准确内容,请参阅链接中的英语原文或自行翻译。

    IN+和 IN-内部偏置为 3V、存在共模电压。 因此  、当没有输入时 、内部比较器没有输出。

    IN-和 IN+引脚之间没有较大的内部电阻。

  • 请注意,本文内容源自机器翻译,可能存在语法或其它翻译错误,仅供参考。如需获取准确内容,请参阅链接中的英语原文或自行翻译。

    尊敬的 Derek:

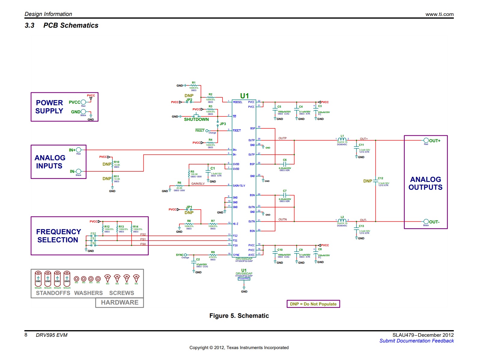
    感谢您的回复。  我不确定我是否了解每个 IN-和 IN+引脚的3V 偏置、以及在这种情况下如何使用 DRV595。  我将查看评估板原理图、其中指出了什么

    http://www.ti.com/lit/ug/slau479/slau479.pdf

    输入和输出•将直流控制电压连接到0.5V 至5.5V 范围内的(IN+) 或者、可以使用电阻分压器将端子(IN+)保持在固定电压、如原理图所示。 施加到 IN-的直流控制电压幅度相同、可提供从 OUT+到 OUT–的0V 输出。 •跨(OUT+)和(OUT-)连接负载。 连接的极性取决于直流控制电压的运行。 当 IN+上的电压变为大于 IN–上的电压时、OUT+上的电压会增加、导致电流从 OUT+流向 OUT–。 同样 、当 IN+上的电压下降到低于 IN–时、OUT–上的电压增加 s、从而导致电流从 OUT–流向 OUT+。

  • 请注意,本文内容源自机器翻译,可能存在语法或其它翻译错误,仅供参考。如需获取准确内容,请参阅链接中的英语原文或自行翻译。

    您好 Linda、

    我会使用2.7V 电源的分压器将 IN-引脚偏置为1.4、该分压器也为 DAC 供电(连接到 IN+)、因此我可以通过从0-2.7V 的 IN+变化来控制输出到珀耳帖的极性。

  • 请注意,本文内容源自机器翻译,可能存在语法或其它翻译错误,仅供参考。如需获取准确内容,请参阅链接中的英语原文或自行翻译。

    您好!

      器件内部有一个共模电压生成电路、可调节输入偏置电压

    此致

    Linda

  • 请注意,本文内容源自机器翻译,可能存在语法或其它翻译错误,仅供参考。如需获取准确内容,请参阅链接中的英语原文或自行翻译。

    谢谢、那么为什么我不能为 IN+提供 DAC 0-2.7V 电源、为 IN-提供恒定1.4V 电源?  然后、根据评估板文档、将 IN+从0-2.7V 变为0-1.4V 将允许电流沿两个方向(0-1.4V)和(1.4-2.7V)流动?

    此致、

    Chris。

    谢谢你。

    [引用用户="Xiaolin Qin"]

    您好!

      器件内部有一个共模电压生成电路、可调节输入偏置电压

    此致

    Linda

    [/报价]

  • 请注意,本文内容源自机器翻译,可能存在语法或其它翻译错误,仅供参考。如需获取准确内容,请参阅链接中的英语原文或自行翻译。

    尊敬的 Chris:

    我在周五回答了您的问题,但今天 我发现我的回复没有显示在 E2E....上

    1) 1)  IN+和 IN-引脚分别在内部偏置为-3V 和+3V。 因此、共模电压为0V、 因此无需在输入引脚上使用外部电容器。    

    2) IN-引脚与1.4搭配使用 IN+ 2.7V 电源的分压器、对吧? 这意味着 IN+和 IN-是相同的相位、共模 输入。  放大器的输出将非常小。