This thread has been locked.

If you have a related question, please click the "Ask a related question" button in the top right corner. The newly created question will be automatically linked to this question.

[参考译文] LMR16020:-15Vout /0.2A 应用

Guru**** 2601915 points
Other Parts Discussed in Thread: LMR16020, LMR16030

请注意,本文内容源自机器翻译,可能存在语法或其它翻译错误,仅供参考。如需获取准确内容,请参阅链接中的英语原文或自行翻译。

https://e2e.ti.com/support/power-management-group/power-management/f/power-management-forum/601693/lmr16020--15vout-0-2a-application

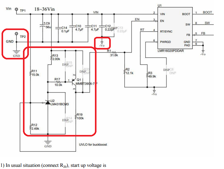
器件型号:LMR16020
主题中讨论的其他器件: LMR16030

尊敬的先生  

1、我知道 TP2和-Vo 的原理图是正确的吗??

2.请问为何需要添加外部 UVLO 原理图,原因是 LMR16020的 GND 是-Vo,对吗?

谢谢

  • 请注意,本文内容源自机器翻译,可能存在语法或其它翻译错误,仅供参考。如需获取准确内容,请参阅链接中的英语原文或自行翻译。
    vo 连接看起来正常。 关键是要记住、IC 接地是指-Vo、所有逻辑电平都是指-Vo。 电平转换电路将 IC 的接地基准电压转换为-Vo 基准电压。
  • 请注意,本文内容源自机器翻译,可能存在语法或其它翻译错误,仅供参考。如需获取准确内容,请参阅链接中的英语原文或自行翻译。

    你(们)好

    我知道 LMR16030或 LMR16020可以支持24V 输入电压至-5V 输出电压/1A 吗?

    您是否有计算工具??

    谢谢

  • 请注意,本文内容源自机器翻译,可能存在语法或其它翻译错误,仅供参考。如需获取准确内容,请参阅链接中的英语原文或自行翻译。
    它们应该能够提供24V 至-5V、1A 的电流。

    可以通过此公式快速估算(忽略损耗)

    I -反相-最大值= I -降压-最大值* VIN/(VIN +|VOUT|)

    此致、