This thread has been locked.

If you have a related question, please click the "Ask a related question" button in the top right corner. The newly created question will be automatically linked to this question.

[参考译文] UCC28220:UCC28220是否可用于非隔离式升压?

Guru**** 2606725 points
Other Parts Discussed in Thread: UCC28220, TL431, UCC25600

请注意,本文内容源自机器翻译,可能存在语法或其它翻译错误,仅供参考。如需获取准确内容,请参阅链接中的英语原文或自行翻译。

https://e2e.ti.com/support/power-management-group/power-management/f/power-management-forum/623921/ucc28220-can-ucc28220-be-used-for-non-isolated-boost

器件型号:UCC28220
主题中讨论的其他器件: TL431UCC25600

您好!

UCC28220是否可用于非隔离式升压?

如何控制 PIN8 (任何基准电路?)

是否有用于 UCC28220的 Excel 计算工具?

  • 请注意,本文内容源自机器翻译,可能存在语法或其它翻译错误,仅供参考。如需获取准确内容,请参阅链接中的英语原文或自行翻译。

    是的-它可用于隔离式升压。 我将询问并返回有关 Excel 计算器的信息。

  • 请注意,本文内容源自机器翻译,可能存在语法或其它翻译错误,仅供参考。如需获取准确内容,请参阅链接中的英语原文或自行翻译。

    您好、VA、

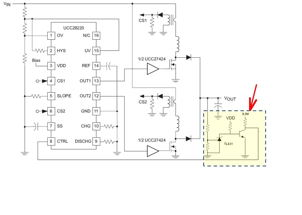
    在数据表中、我看到了这个交错升压示例。 但我们不确定如何执行下面所示的 E/A 块。 您能不能帮助我们解释一下实施 E/A 模块的方法吗?

    谢谢!

  • 请注意,本文内容源自机器翻译,可能存在语法或其它翻译错误,仅供参考。如需获取准确内容,请参阅链接中的英语原文或自行翻译。

    UCC28220数据表图21。 如下所示。

  • 请注意,本文内容源自机器翻译,可能存在语法或其它翻译错误,仅供参考。如需获取准确内容,请参阅链接中的英语原文或自行翻译。

    您好!

    我的客户正在等待回答、您能回复吗? 谢谢!

  • 请注意,本文内容源自机器翻译,可能存在语法或其它翻译错误,仅供参考。如需获取准确内容,请参阅链接中的英语原文或自行翻译。

    您将需要创建分立式误差放大器环路。 最简单的方法是使用 TL431。 请参阅以下链接、了解如何使用基本 TL431来闭合反馈环路。 TL431可配置为提供与补偿环路成比例的灌电流。 请参阅 :www.ti.com/.../ucc28600.pdf

    在典型的隔离 应用中、您需要使用隔离的光耦合器晶体管的基极。 在这种情况下、您可以使用灌电流直接馈入晶体管的基极。 晶体管的 VCE 将连接到控制引脚。 这是以 低成本方式实现误差放大器的一种方法。

    或者 、也可以使用外部 OPAMP 来实现这一点。

    VA  

  • 请注意,本文内容源自机器翻译,可能存在语法或其它翻译错误,仅供参考。如需获取准确内容,请参阅链接中的英语原文或自行翻译。

    VA、

    我会研究您的上述建议,并尝试按以下方式加以阐述,您是否会帮助您进行审查?

  • 请注意,本文内容源自机器翻译,可能存在语法或其它翻译错误,仅供参考。如需获取准确内容,请参阅链接中的英语原文或自行翻译。
    最简单的方法是使用与 UCC25600第1页相同的光耦合器。 任何其他非孤立的想法都同样复杂。 让我知道这是否为客户所接受。
  • 请注意,本文内容源自机器翻译,可能存在语法或其它翻译错误,仅供参考。如需获取准确内容,请参阅链接中的英语原文或自行翻译。

    您好、VA、

    是否有 UCC28220 Excel 工具?

    谢谢!

    Py Tsai

  • 请注意,本文内容源自机器翻译,可能存在语法或其它翻译错误,仅供参考。如需获取准确内容,请参阅链接中的英语原文或自行翻译。
    您好、PYTsai、

    UCC28220没有可用的 Excel 工具、但可以使用 MathCAD 计算器:www.ti.com/.../ucc28221-calc。

    此致、
    本·洛夫