This thread has been locked.

If you have a related question, please click the "Ask a related question" button in the top right corner. The newly created question will be automatically linked to this question.

[参考译文] TPS54260:在原型中烧写

Guru**** 2589280 points


请注意,本文内容源自机器翻译,可能存在语法或其它翻译错误,仅供参考。如需获取准确内容,请参阅链接中的英语原文或自行翻译。

https://e2e.ti.com/support/power-management-group/power-management/f/power-management-forum/633650/tps54260-burned-in-prototype

器件型号:TPS54260

大家好、团队、
我们的客户对 TPS54260DGQR 在其新的汽车 GPS 跟踪器设计中的应用有疑问。
在测试原型器件时、一个 TPS54260DGQR 在经过2小时测试后烧坏。

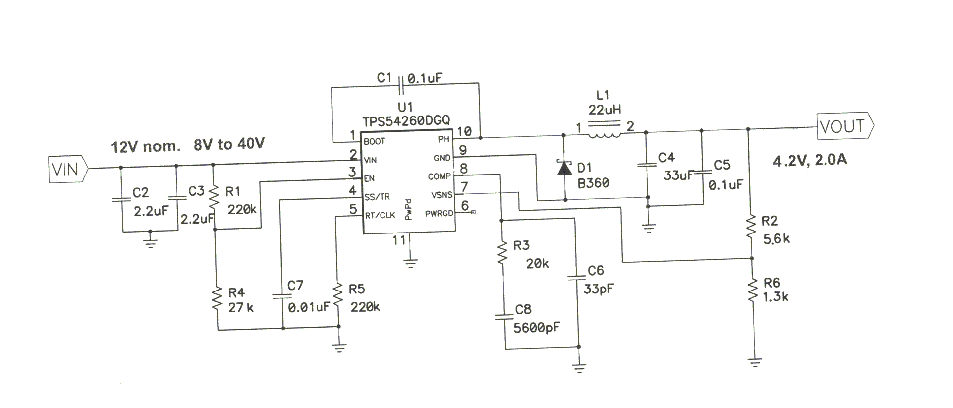
您能否检查 PCB 和原理图?(随附)图是从数据表中获取的。

e2e.ti.com/.../BOT.pdf

  • 请注意,本文内容源自机器翻译,可能存在语法或其它翻译错误,仅供参考。如需获取准确内容,请参阅链接中的英语原文或自行翻译。
    Ilya、

    感谢您的分享。 布局布线有点难看到。 您能不能以更好的对比度重新上传、这样我就不会错过任何内容了。

    我现在的想法是:

    使用的二极管额定电流为2.1A、负载拉取2A。 二极管是否也损坏?
    2.是否有任何其他部件损坏?
    3.测试过程中的环境温度是多少?
    4.您的负载是什么? 它是恒定的还是有很多瞬态?

    Sam
  • 请注意,本文内容源自机器翻译,可能存在语法或其它翻译错误,仅供参考。如需获取准确内容,请参阅链接中的英语原文或自行翻译。

    Sam、您好!

    客户提供了相关信息:

    它们使用二极管10MQ100N。 它没有消磁。

    2.否

    3.+22°C

    4. SIM800C (GSM 模块)+150mA。 因此、最小负载为5mA、最大脉冲为2.1A

    下面是2层、对比度更高:
    e2e.ti.com/.../5710.TOP.pdfe2e.ti.com/.../7776.BOT.pdf

  • 请注意,本文内容源自机器翻译,可能存在语法或其它翻译错误,仅供参考。如需获取准确内容,请参阅链接中的英语原文或自行翻译。
    Ilya、

    感谢您提供这些信息。 您的回答会使我的初始理论产生冲击、因此我还有一些问题:

    1.我们是否知道器件在发生故障前的工作温度?
    2.您能否共享 VOUT、PH、BOOT 和 COMP 波形的示波器截图? 我想了解该部件如何响应您的负载瞬态。
    3.器件是否曾进入热关断状态?

    Sam