This thread has been locked.

If you have a related question, please click the "Ask a related question" button in the top right corner. The newly created question will be automatically linked to this question.

[参考译文] TPS23751:如何交换反复加电&放大器;关闭

Guru**** 2387080 points
Other Parts Discussed in Thread: TPS23751, TL431, TLV431, PMP11254
请注意,本文内容源自机器翻译,可能存在语法或其它翻译错误,仅供参考。如需获取准确内容,请参阅链接中的英语原文或自行翻译。

https://e2e.ti.com/support/power-management-group/power-management/f/power-management-forum/755750/tps23751-how-swap-repeatedly-power-on-off

器件型号:TPS23751
主题中讨论的其他器件: TL431TLV431PMP11254

您好!

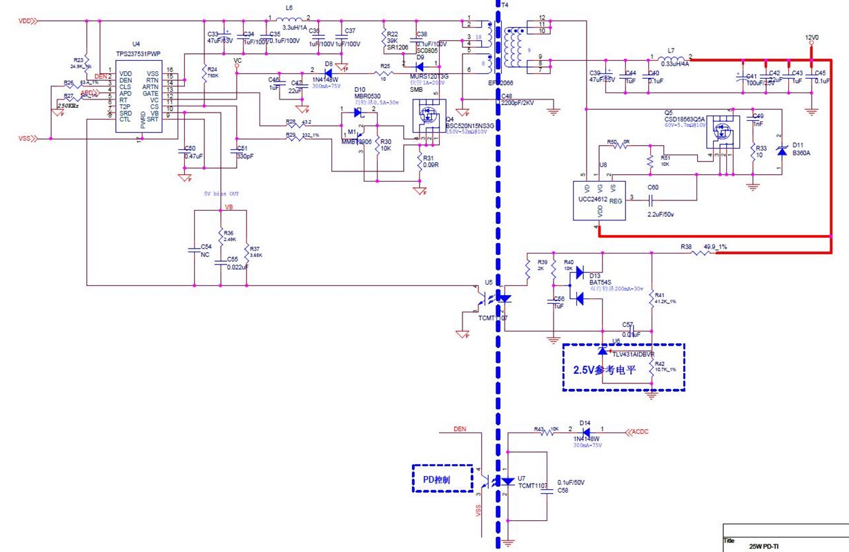
我在 Vdd-VSS 上添加了输入电源、发现 TPS23751会重复重启。 当我在 Vdd-RTN 上添加了50vin 时、我没有发现相同的问题。 您可以帮您检查我的原理图吗?

谢谢。

e2e.ti.com/.../_4496F64E004E1AFF_TI_2D00_POE_2D00_AT_2D00_54_2D00_V0_5F00_1_2D00_SCH.PDF

  • 请注意,本文内容源自机器翻译,可能存在语法或其它翻译错误,仅供参考。如需获取准确内容,请参阅链接中的英语原文或自行翻译。
    您好、Jerry、

    您知道消耗多少输入电流吗? 在热插拔断续模式之前?

    我将在星期一(如果不是更早)快速回顾原理图并发表我的笔记。

    一件简单的事情:他们应该使用 TL431 (2.5V Vref)、而不是 TLV431 (1.25V Vref)。

    此致、
    Tom Amlee
    PoE PD 应用工程师
  • 请注意,本文内容源自机器翻译,可能存在语法或其它翻译错误,仅供参考。如需获取准确内容,请参阅链接中的英语原文或自行翻译。
    同时、我们还有一个 TPS23751 12V 参考设计 PMP11254、客户可以免费查看和复制该设计。 经以太网联盟认证、该器件完全兼容 PoE 标准。

    谢谢、
    Tom Amlee
    PoE PD 应用工程师
  • 请注意,本文内容源自机器翻译,可能存在语法或其它翻译错误,仅供参考。如需获取准确内容,请参阅链接中的英语原文或自行翻译。
    谢谢您、Thomas。
    我发现 APD 引脚应该被很好地旁路、否则、噪声将通过不良布局进行耦合以启用 APD 和关闭导通 MOS。
  • 请注意,本文内容源自机器翻译,可能存在语法或其它翻译错误,仅供参考。如需获取准确内容,请参阅链接中的英语原文或自行翻译。
    您好、Jerry、

    我看到 APD 连接到24VAC/12Dc 输入、而 APD 的分压器以输出接地为基准。 要使用 APD、必须以 RTN (反激式的初级侧)为基准。

    由于直流输入以12V 输出接地为基准、因此您可以有效地执行方案3 (次级侧) OR-ing (请参阅应用手册 SLVA306A)。 如果适配器优先级是预期的操作、我建议查看第3.5节、按照这些线路重新设计。

    谢谢、
    Tom Amlee
    PoE PD 应用工程师