尊敬的 TI:
在两种情况下、TPS7A16的输出电压会下降1秒、然后再加电。 这种行为与每次上电时都是一致的。 当我们将 IC 移到另一个电路板时、它会随 IC 一起提供。 我们以前在 电路中没有看到过这种行为。
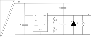
TPS7A16被连接至一个输出电压为22V 的隔离式 DC-DC。 EN 引脚连接到 IN。 我们使用输出电压设置为5V 的调节版本。LDO 通常由1k Ω 电阻加载。
输出电压降至2.2V。FB 引脚上的电压为400mV。 输出电压受到控制、并随着额外的100mA 负载降低40mV。
两个运行温度比正常低~5°C 的 LDO。 这很可能是因为1kOhm 电阻器中的电流较小、因此 LDO 中的损耗较小。 在基准测试期间、器件的温度为35°C。
室温下、压降的延时时间为~1秒。 当我们使用热风枪加热器件时、该时间下降到40ms。
论坛中有类似的情况、但没有结论: TPS7A16:输出电压降-电源管理论坛-电源管理- TI E2E 支持论坛
绿色:输入电压
黄色:输出电压
输入电压的上升时间:~10V/ms



