请注意,本文内容源自机器翻译,可能存在语法或其它翻译错误,仅供参考。如需获取准确内容,请参阅链接中的英语原文或自行翻译。
器件型号:TPS62125 主题中讨论的其他器件: TPS62120
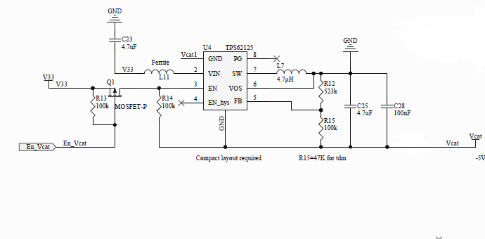
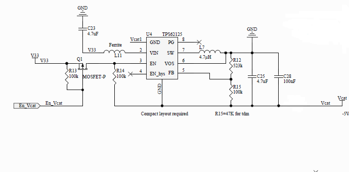
我已经在反相拓扑中实现了 tps62125、如应用手册 slva514b 中所述。
输入为3.3V、输出为-5V、功耗介于0.5mA 至5mA 之间。
我检查了输出、电压调节良好、功耗约为预期值(5mA)。
但是、在输入端、功耗非常高、从30mA 到100mA 以上、具体取决于电路板。
我无法解释问题。
根据应用手册、效率应 约为80%。
此外、在禁用 tps62125时、其输出为+.5V、功耗约为1mA、这在我的应用中是有问题的。
我的原理图可能有问题。 在这里。
如果您有任何线索、请告诉我
