This thread has been locked.

If you have a related question, please click the "Ask a related question" button in the top right corner. The newly created question will be automatically linked to this question.

[参考译文] TLC59116:输出的默认状态

Guru**** 2466550 points
Other Parts Discussed in Thread: TLC59116

请注意,本文内容源自机器翻译,可能存在语法或其它翻译错误,仅供参考。如需获取准确内容,请参阅链接中的英语原文或自行翻译。

https://e2e.ti.com/support/power-management-group/power-management/f/power-management-forum/568870/tlc59116-default-state-of-outputs

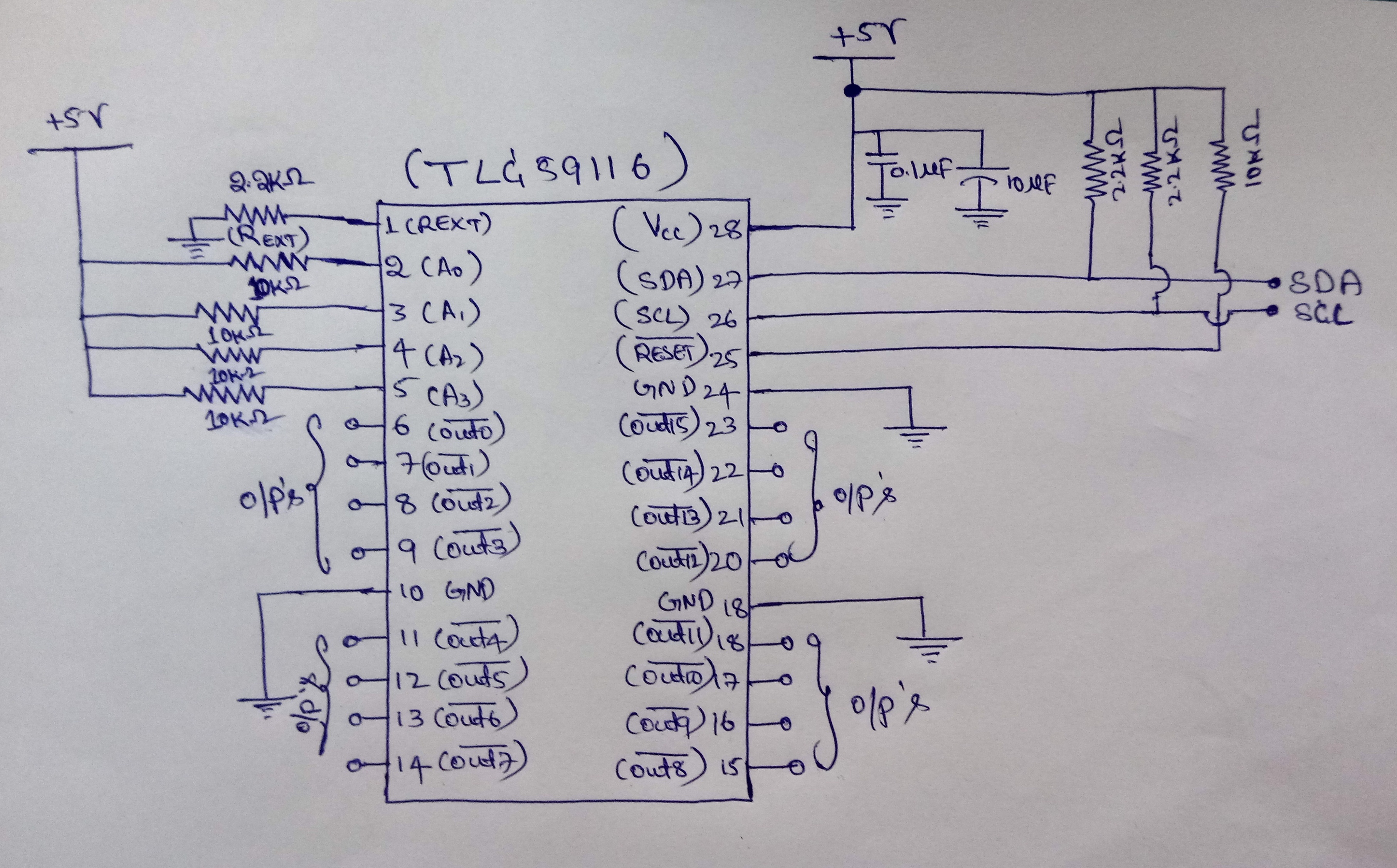
器件型号:TLC59116

您好!

   我使用 TLC59116 来驱动 LED、我需要知道在上电复位(POR) LED 驱动 器后输出引脚上的默认状态是什么、是低电平、高电平还是未知状态。  

在这里、我要附上 LED 驱动器的电路图。 请回答我、输出的默认状态是什么。  

谢谢

Piyush Gupta

  • 请注意,本文内容源自机器翻译,可能存在语法或其它翻译错误,仅供参考。如需获取准确内容,请参阅链接中的英语原文或自行翻译。
    您好!

    当器件启动时、所有 LED 的默认值是使其处于关断状态、而没有任何 LED 通道灌电流。
    请参阅第9.5.3节中的表6。

    然后、在讨论 POR 的部分中查看第9.3.3节、可以看到、当 TLC59116遇到 POR 时、所有通道都将取消选中、并返回其默认状态、即关闭。